elecena.pl

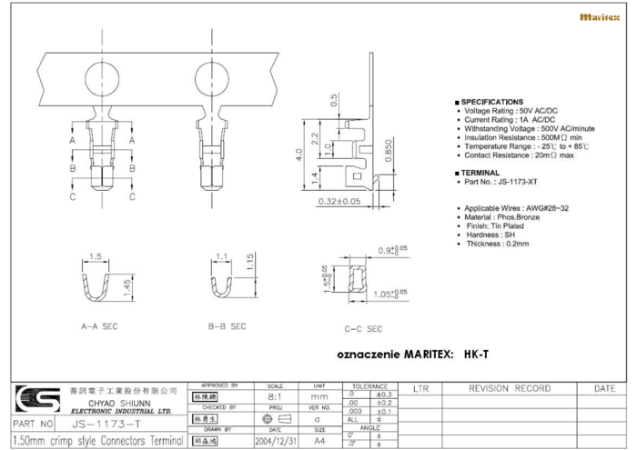
HKT Metalowy styk, żeński, do korpusów złącz HK

Podgląd PDFa Kliknij, aby przejrzeć kilka stron
Metalowy styk, żeński, do korpusów złącz HK
Otwórz plik PDF » 1 stron (86 kB)
Producent:
Maritex
Szukaj produktów »