elecena.pl

  1. Podgląd PDFa
    Do dokumentacji »

    1708Z03-065.009

    Potentiometer in Cast Iron IP40 Case - 350 Degree Movement x 10k Ohms - PW70d/A 1708Z03-065.009 PW70d/A Precision Potentiometer in cast iron case to IP40 enclosure rating. Potentiometer is 10k Ohms +-1% across 350 Degree movement (within 360 degree mechanical rotation). 125mm x 75mm x 60mm overall. Shaft is 6mm x 16mm Fixing flange has 4 x 6mm dia smooth holes on 88mm pcd. Used for Thruster Position sensing, dancer bar/dancing roller and any high performace/high reliability applications.
    Producent:
    Meditronik
    Rozmiar:
    930 kB
    Stron:
    1
  2. Podgląd PDFa
    Do dokumentacji »

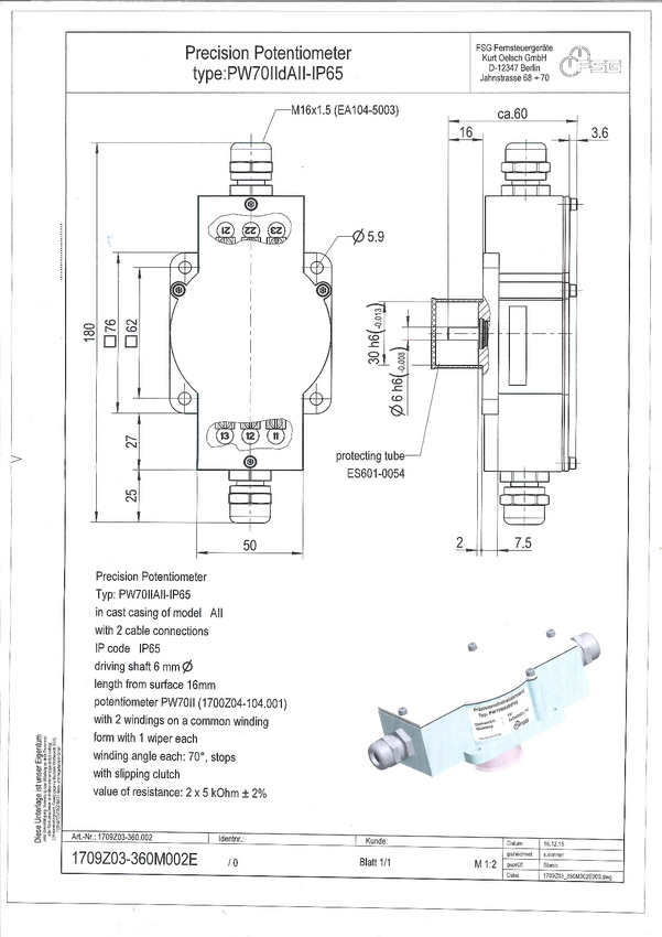
    PW70II/AII/IP65-2x5K-70deg

    Precision Potentiometer Typ: PW70IIAII-IP65 1709Z03-360.002 in cast casing of model AII with 2 cable connections IP code IP65 driving shaft 6 mm Ý length from surface 16mm potentiometer PW70II (1700Z04-104.001) with 2 windings on a common winding form with 1 wiper each winding angle each: 70°, stops with slipping clutch value of resistance: 2 x 5 kU ± 2% tariff # 85 33 31 000 article weight: 0,550 KG
    Producent:
    Meditronik
    Rozmiar:
    840 kB
    Stron:
    2
  3. Podgląd PDFa
    Do dokumentacji »

    PW70D/A-2X90-2571-FSG

    Producent:
    Meditronik
    Rozmiar:
    673 kB
    Stron:
    6
  4. Podgląd PDFa
    Do dokumentacji »

    1700Z04-096.059

    Potencjometr z modelu PW70/A/IP40-350-5K-1708Z03-096.008 i z takiego samego tylko IP65 zamiast IP40 PW70/A/IP65 350 5K 1708z03-352.078 ( z potencjometrem 1708z04-096.059) 1700Z04-096.059 Precision Potentiometer PW70-RK winding angle 350°, stops resistance 5 kU ± 1% / 350° shaft 6 mm Ý, LF 1 = 29 according to 0233 BPW-00:01 with incorporated slipping clutch cap with bore hole and cover i. e. cover according to 1700Z04-00:2602 and cover according to 1700Z04-00:2701 Uwaga: zdjęcie podobnego
    Producent:
    Meditronik
    Rozmiar:
    469 kB
    Stron:
    1
  5. Podgląd PDFa
    Do dokumentacji »

    PW70-1700Z04-00.30020

    Precision Angular Position Transmitter PW70-F Kąt pracy mechaniczny 350 stopni ze stopami, Kąt pracy elektryczny: 42 stopnie shorted; 98 stopni 1400 ohm +-1%; 70 stopni shorted; 83 stopnie 1185,7 ohm +-1%; 57 stopnie shorted; Potencjometr 4 końcówkowy z Center Tapem ośka 6 nn 13,5 mm długa; średnica korpusu 70mm; gł. 27,4mm; od frontu M4 rozstaw 50mm Dla wersji standard Tolerancja rezystancji 2%; Liniowość standard +-0,15% moc 6W; wersja specjalna może mieć inne parametry łożysko sintered bearning
    Producent:
    Meditronik
    Rozmiar:
    460 kB
    Stron:
    1
  6. Podgląd PDFa
    Do dokumentacji »

    PW70D

    Producent:
    Meditronik
    Rozmiar:
    459 kB
    Stron:
    2
  7. Podgląd PDFa
    Do dokumentacji »

    PW70 100K 350

    Potencjometr specjalny na bazie PW70 o rezystancji 100 kohm kąt pracy 350 stopni Już nie jest produkowany karta katalogowa wersji podobnej - tak aby pokazać wymiary i część parametrów. Pozostałe paametry są inne. 1700Z04-096m011d.pdf inna rezystancja 1700z04-096_059.pdf w tym też inna długość ośki Potencjometr PW70 100K 350DEG 1700Z04-064.015 Precision Angular Position Transmitter PW70 winding angle 350° resistance 100 k? +- 1% shaft 6 mm O, 24 mm long from support shaft # 0001W01-00:0108
    Producent:
    Meditronik
    Rozmiar:
    459 kB
    Stron:
    2
  8. Podgląd PDFa
    Do dokumentacji »

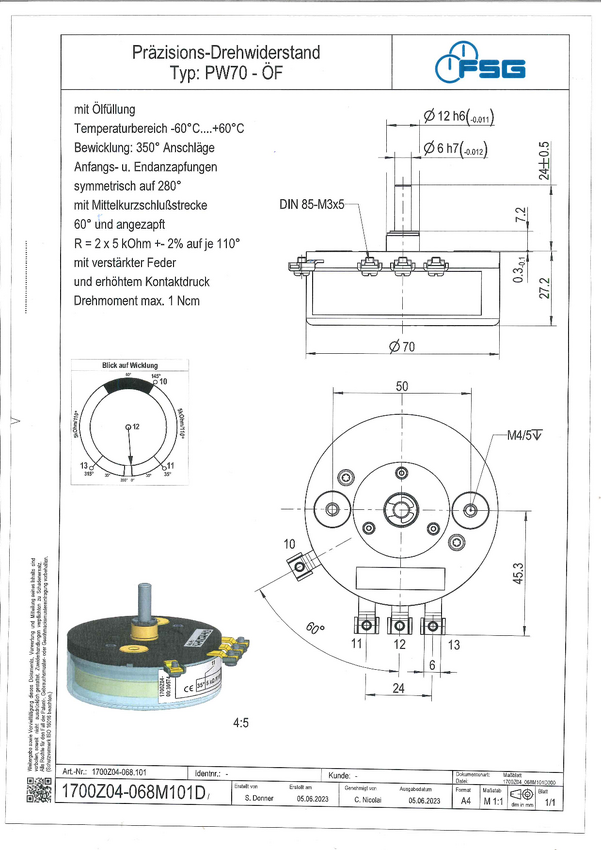
    PW70-280-60-2x5k-26166PW

    Precision Angular Position Transmitter PW70-ÖF-60/60 oil-filled temperature range -60°C....+60°C winding 350° stops beginning and end tappings symmetrical at 280° with middle short-circuit range 60° and tapped resistance 2 x 5 kom +- 2% / 110° each with feather and high contact pressure shaft 6 mm fi 24 mm long torque max. 100 cmp Zamiennik dla starego modelu 26166PW
    Producent:
    Meditronik
    Rozmiar:
    445 kB
    Stron:
    1
  9. Podgląd PDFa
    Do dokumentacji »

    1708Z03-096.018

    PW70A Precision Potentiometer in cast iron case to IP40. Potentiometer is 8.57k Ohms +-1% across the 60 Degree movement, without gears and includes a slipping clutch for mechanical protection. 125mm x 75mm x 60mm overall. Shaft is 6mm x 16mm Fixing flange has 4 x 6mm dia smooth holes on 88mm pcd. Used on FAS Packaging Machinery and any high performace dancer bar or dancing roller applications. Other resistance values are available on request. Customs Tariff code: 85 33 31 000 Potencjometr 1700Z04-096.038 Pa
    Producent:
    Meditronik
    Rozmiar:
    392 kB
    Stron:
    1
  10. Podgląd PDFa
    Do dokumentacji »

    1708Z03-065.011

    Potentiometer in Cast Iron IP40 Case - 90 degree Gear-less movement x 2571 Ohms 1708Z03-065.011 + 1700Z04-065.117 (PW70dA with PW 1700Z04-065.117) PW70dA Precision Potentiometer in cast iron case to IP40. Potentiometer is 2571 Ohms +-1% across the 90 Degree movement, with aditional 270 degree movement. 125mm x 75mm x 60mm overall. Shaft is 6mm x 16mm Fixing flange has 4 x 6mm dia smooth holes on 88mm pcd. Manufacturer is FSG Full part number is 1708Z03-065.011 as PW70dA with PW 1700Z04-065.117
    Producent:
    Meditronik
    Rozmiar:
    279 kB
    Stron:
    1
  11. Podgląd PDFa
    Do dokumentacji »

    PW70-1700Z04-00400100

    Producent:
    Meditronik
    Rozmiar:
    191 kB
    Stron:
    1
  12. Podgląd PDFa
    Do dokumentacji »

    PW70F-1700Z04-256.005

    PW70 500 ohm + 500 Ohm Precision Potentiometer PW70-ÖF with oilfilling, with metal cap winding angle 204° stops 0° - 19°: short circuit section 19° -101,2°: 500 ohm +/- 1% /82,2° 101,2°-120,8°: shorted & tapped 120,8°-203°: 500 Ohm +/- 1% /82,2° 203°-204°: shorted shaft 6 mm O 13,5mm long from support sense of rotation: right (view from shaftside) torque: max. 100 cmp with sintered bearing tariff # 85 33 31 00
    Producent:
    Meditronik
    Rozmiar:
    185 kB
    Stron:
    1
  13. Podgląd PDFa
    Do dokumentacji »

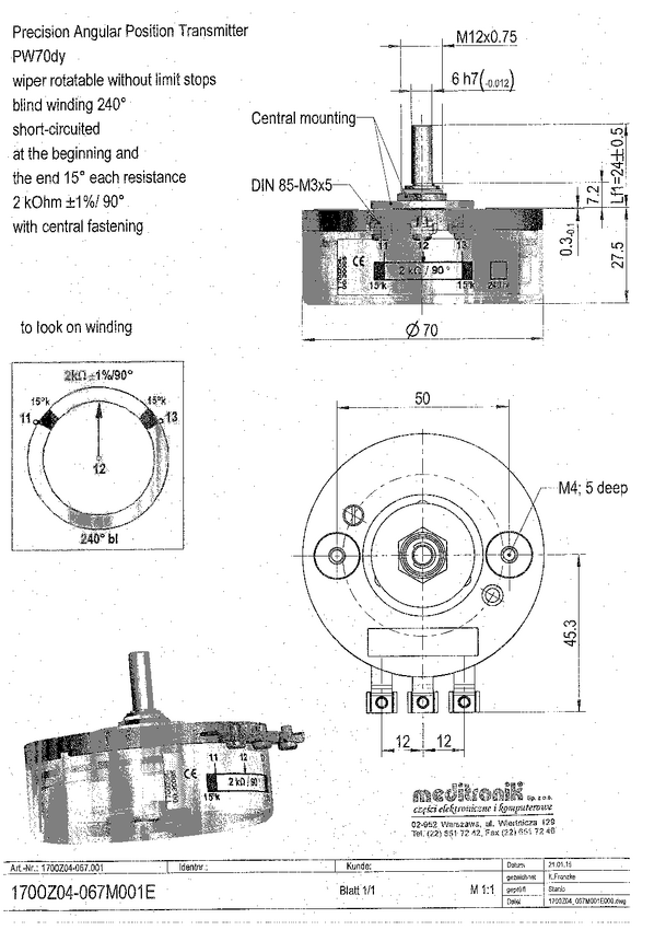
    PW70D 1700Z04-067.001

    Precision angular potentiometer transmitter PW70Dy wiper rotatable without limit stops blind winding 240 deg short-circued at the begining and the end 15 deg each resistance 2kohm+-1% / 90 deg; shaft 6,00mm / 24 mm long from support with central fastening kąt pracy 15 st. dead band 90 stopni / 2 kohm 15 stopni dead band =120 stopni 240 stopni blind
    Producent:
    Meditronik
    Rozmiar:
    176 kB
    Stron:
    1
  14. Podgląd PDFa
    Do dokumentacji »

    PW70A-AN1708Z03.352.012

    PW70/A/IP40 drehwinkel 60 deg 5 kohm+-1% / 60 deg AN1708z03-352.012 w środku najprawdopobniej jest potencjometr PW70 1700z04-096.010 r5 kohm +-1% / 60 deg ośka dł. 16 mm
    Producent:
    Meditronik
    Rozmiar:
    173 kB
    Stron:
    1
  15. Podgląd PDFa
    Do dokumentacji »

    1708Z03-325.108

    Precision Angular Position Transmitter, Cast Iron IP40 Case - 240 degree movement x 5k Ohms 1708Z03-325.108 PW70d-ÖF-A with oil filling, Precision Angular Position Transmitter in cast iron case to IP65 (with PW 1700Z04-069.012) with cable inlet for moist atmospheres Potentiometer is 5k Ohms +-1% across the 240 Degree movement, Active angle 120 Degree wiper continuous rotation without limit stops Approximate overall dimensions: 125mm x 75mm x 60mm overall. Shaft is 6mm diameter x 16mm long Fixing flange has
    Producent:
    Meditronik
    Rozmiar:
    162 kB
    Stron:
    1
  16. Podgląd PDFa
    Do dokumentacji »

    PW70F-1700Z04-256.006

    Producent:
    Meditronik
    Rozmiar:
    153 kB
    Stron:
    1
  17. Podgląd PDFa
    Do dokumentacji »

    PW70D

    Producent:
    Meditronik
    Rozmiar:
    142 kB
    Stron:
    1
  18. Podgląd PDFa
    Do dokumentacji »

    PW70-10K 1708Z03-096.040

    1708z03-096.040 1708z03-096.040/00 1708z03-096.040/00 PW..70 PW..620 PK..620 WD..620
    Producent:
    Meditronik
    Rozmiar:
    137 kB
    Stron:
    1
  19. Podgląd PDFa
    Do dokumentacji »

    PW70-GS110

    Precision Angular Position Transducer PW-70-GS110 in Casing IP40; R=5 kohm+-1% / 350 stopswith slipping cloutch; casing shaft 8 mm
    Producent:
    Meditronik
    Rozmiar:
    115 kB
    Stron:
    1
  20. Podgląd PDFa
    Do dokumentacji »

    PW70/A/IP65 350 5K

    Precision Angular Position Transmitter PW70A in cast casing IP65 accord. to 1708Z03-352M008D (with PW 1700Z04-096.011) R = 5 kU +- 1%/350° stops length from support 16 mm shaft 6 mm Ý, with slipping clutch w środku potencjometr: Precision Angular position transmitter PW70 res. 5k ohm+-1% 1700z04-096.011 PW70-ST-SC-5K
    Producent:
    Meditronik
    Rozmiar:
    110 kB
    Stron:
    1
  21. Podgląd PDFa
    Do dokumentacji »

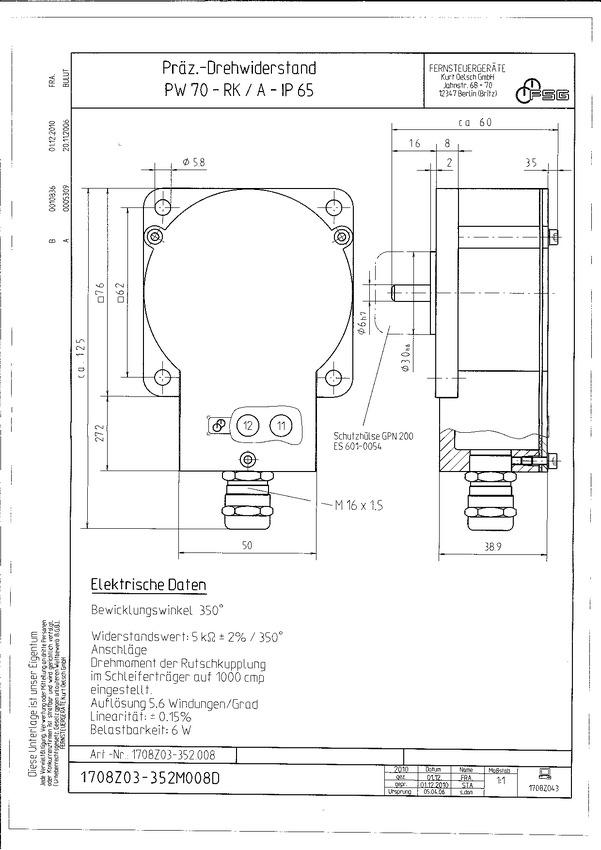
    PW70-ST-SC-5K

    Precision Angular position transmitter PW70 res. 5k ohm+-2% ( dawniej +-1%) 350 deg/ stops shaft 6mm 24 mm long from support shaft #0001W01-00:0108; with slipping cloutch 1700z04-096.011 PW70-RK Precision Potentiometer PW70-RK resistance 5 kU +- 2%/350° stops shaft 6 mm Ý, 24 mm long from support shaft # 0001W01-0R:0108 with added slipping clutch version accord. to 1700Z04-096M011D Pasuje do obudowy PW70/A/IP65 350 5K+-1% / 350 AN1708Z03-352.008
    Producent:
    Meditronik
    Rozmiar:
    100 kB
    Stron:
    1
  22. Podgląd PDFa
    Do dokumentacji »

    PW70 1700Z04-064.501

    Precision Potentiometer PW70 rotary angle 90° stops resistance 1.28 kU +- 2% shaft 6 mm Ý 24 mm long without additional marking kąt pracy elektryczny 90 stopni mechaniczny 90 stopni Potencjometr ze stopami - kąt pracy 90 stopni 1700Z04-064.501 -------------------------- Precision Potentiometer PW70 rotary angle 90° stops resistance 1.28 kU +- 2% shaft 6 mm Ý 24 mm long without additional marking ---------------------------------------
    Producent:
    Meditronik
    Rozmiar:
    90 kB
    Stron:
    1
  23. Podgląd PDFa
    Do dokumentacji »

    PW70-2K VS 1700Z04001.040

    Producent:
    Meditronik
    Rozmiar:
    85 kB
    Stron:
    1
  24. Podgląd PDFa
    Do dokumentacji »

    1708Z03-096.079

    Precision Potentiometer in Cast Iron IP40 Case - 5k Ohms 350 deg stops 1708Z03-096.079 (1708Z03-096.079 + PW 1700Z04-096.064 PW70A Precision Potentiometer in cast iron case to IP40 1708Z03-096.079 (with PW 1700Z04-096.064). Potentiometer is 5K Ohms +/-1% 350o Stops. 125mm x 76mm x 39mm overall. (excluding shaft) 16 mm long from support of A-casing with slipping clutch according to dimensional sketch1708Z03-096M079D Scope of delivery without setting key. Fixing flange has 4 x 6mm dia smooth holes on 62 x 62m
    Producent:
    Meditronik
    Rozmiar:
    70 kB
    Stron:
    1