elecena.pl

10-Bit Integrated, Multiformat SDTV/HDTV Video Decoder, RGB Graphics Digitizer, and 2:1 Multiplexed HDMI/DVI Interface

Analog Devices

10-Bit Integrated, Multiformat SDTV/HDTV Video Decoder, RGB Graphics Digitizer, and 2:1 Multiplexed HDMI/DVI Interface RSS Sample
  • Darmowa próbka
MPN:
ADV7441A
Producent:
ANALOG DEVICES
Dodany do bazy:
Ostatnio widziany:

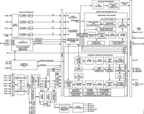
The ADV7441A is a high quality multiformat video decoder and graphics digitizer with an integrated 2:1 multiplexed HDMI™ receiver.

The ADV7441A contains two main processing sections. The first section is the standard definition processor (SDP), which processes all types of PAL, NTSC, and SECAM signals. The second section is the component processor (CP), which processes YPrPb and RGB component formats, including RGB graphics. The CP also processes the video signals from the HDMI receiver. The ADV7441A can keep the HDCP link between a HDMI source and the selected HDMI port active in analog mode operation. This allows for fast switching between the analog and HDMI modes.

As a decoder, the ADV7441A can convert PAL, NTSC, and SECAM composite or S-Video signals into a digital ITU-R BT.656 format. It can also decode a component RGB or YPrPb video signal into a digital YCrCb or RGB pixel output stream. The ADV7441A supports the 525i, 625i, 525p, 625p, 720p, 1080i, 1080p, and 1250i component video standards, as well as many other HD and SMPTE standards. SCART and overlay functionality are enabled by the ability of the ADV7441A to process CVBS and standard definition RGB signals simultaneously. As a graphics digitizer, the ADV7441A can digitize RGB graphics signals from VGA to UXGA rates and convert them to a digital RGB or YCrCb pixel output stream.

The ADV7441A incorporates a dual-input HDMI 1.3-compatible receiver that supports HDTV formats up to 1080p and display resolutions up to UXGA. The reception of encrypted video is possible with the inclusion of HDCP. The inclusion of adaptive equalization in the HDMI receiver ensures robust operation of the interface with cable lengths up to 30 meters. The HDMI receiver has advanced audio functionality, including a mute controller that prevents audible extraneous noise in the audio output.

To facilitate professional applications, where HDCP processing and decryption is not required, a derivative part of the ADV7441A is available. This allows users who are not HDCP adopters to purchase the ADV7441A (see the Ordering Guide section for details).

Fabricated using an advanced CMOS process, the ADV7441A is available in a space-saving, 144-lead, surface-mount, RoHS-compliant, plastic LQFP and is specified over the −40°C to +85°C temperature range.

APPLICATIONS

* Advanced TVs

PDP HDTVs

LCD TVs (HDTV ready)

LCD/DLP® rear projection HDTVs

CRT HDTVs

LCoS® HDTVs

* Audio/video receivers (AVR)

* LCD/DLP front projectors

* HDTV STBs with PVR

* DVD recorders with progressive scan input support

* See data sheet for Multiformat decoder features

Elecena nie prowadzi sprzedaży elementów elektronicznych, ani w niej nie pośredniczy.

Produkt pochodzi z oferty sklepu