elecena.pl

Dual UART with 16-byte FIFO and up to 5 Mbit/s Data Rate

Texas Instruments

Dual UART with 16-byte FIFO and up to 5 Mbit/s Data Rate RSS Sample
  • Darmowa próbka
MPN:
NS16C2552
Producent:
TEXAS INSTRUMENTS
Dodany do bazy:
Ostatnio widziany:

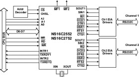
The NS16C2552 and NS16C2752 are dual channel Universal Asynchronous Receiver/Transmitter (DUART). The footprint and the functions are compatible to the PC16552D, while new features are added to the UART device. These features include low voltage support, 5V tolerant inputs, enhanced features, enhanced register set, and higher data rate.

The two serial channels are completely independent of each other, except for a common CPU interface and crystal input. On power-up both channels are functionally identical to the PC16552D. Each channel can operate with on-chip transmitter and receiver FIFO’s (in FIFO mode).

In the FIFO mode each channel is capable of buffering 16 bytes (for NS16C2552) or 64 bytes (for NS16C2752) of data in both the transmitter and receiver. The receiver FIFO also has additional 3 bits of error data per location. All FIFO control logic is on-chip to minimize system software overhead and maximize system efficiency.

To improve the CPU processing bandwidth, the data transfers between the DUART and the CPU can be done using DMA controller. Signaling for DMA transfers is done through two pins per channel (TXRDY and RXRDY). The RXRDYfunction is multiplexed on one pin with the OUT2 and BAUDOUT functions. The configuration is through Alternate Function Register.

The fundamental function of the UART is converting between parallel and serial data. Serial-to-parallel conversion is done on the UART receiver and parallel-to-serial conversion is done on the transmitter. The CPU can read the complete status of each channel at any time. Status information reported includes the type and condition of the transfer operations being performed by the DUART, as well as any error conditions (parity, overrun, framing, or break interrupt).

The NS16C2552 and NS16C2752 include one programmable baud rate generator for each channel. Each baud rate generator is capable of dividing the clock input by divisors of 1 to (216 - 1), and producing a 16X clock for driving the internal transmitter logic and for receiver sampling circuitry. The NS16C2552 and NS16C2752 have complete MODEM-control capability, and a processor-interrupt system. The interrupts can be programmed by the user to minimize the processing required to handle the communications link.

Elecena nie prowadzi sprzedaży elementów elektronicznych, ani w niej nie pośredniczy.

Produkt pochodzi z oferty sklepu