elecena.pl

2.25-MHz 300-mA Step-Down Converter in DDC/TSOT23 Package

Texas Instruments

2.25-MHz 300-mA Step-Down Converter in DDC/TSOT23 Package RSS Sample
  • Darmowa próbka
MPN:
TPS62243-Q1
Producent:
TEXAS INSTRUMENTS
Dodany do bazy:
Ostatnio widziany:

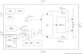
The TPS6224x-Q1 devices are high-efficiency synchronous DC/DC step-down converters providing a fixed output voltage and up to 300 mA of output current. They offer low power consumption for battery-powered/always-on automotive applications like Remote Keyless Entry (RKE) or Passive Entry Passive Start (PEPS) key fobs and base stations. With an input voltage range of 2 V to 6 V, the devices support applications powered by Li-MnO2 coin cell batteries, Li-Ion batteries, two- (2S) and three-cell (3S) alkaline, 3.3-V and 5-V input voltage rails. The TPS6224x-Q1 operate at a 2.25-MHz fixed switching frequency at high load current and enters the power-save mode operation at light load currents to maintain high efficiency and low power consumption over the entire load current range. The power-save mode is optimized for low output-voltage ripple. In the shutdown mode, the current consumption is reduced to less than 1 µA. The TPS6224x-Q1 allow the use of small inductors and capacitors to achieve a small solution size, and is available in a 5-pin TSOT23 package.

Elecena nie prowadzi sprzedaży elementów elektronicznych, ani w niej nie pośredniczy.

Produkt pochodzi z oferty sklepu