elecena.pl

USB charging port controller and 3A power switch with Cable Compensation

Texas Instruments

USB charging port controller and 3A power switch with Cable Compensation RSS Sample
  • Darmowa próbka
MPN:
TPS2549
Producent:
TEXAS INSTRUMENTS
Dodany do bazy:
Ostatnio widziany:

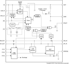
The TPS2549 device is a USB charging port controller and power switch with a current-sense output that is able to control an upstream supply. This allows it to maintain 5 V at the USB port even with heavy charging currents. This is important in systems with long USB cables where significant voltage drops can occur while fast-charging portable devices.

The TP2549 47-mΩ power switch has two selectable, programmable current limits that support port power management by providing a lower current limit that can be used when adjacent ports are experiencing heavy loads. This is important in systems with multiple ports and an upstream supply unable to provide full current to all ports simultaneously.

The DCPAuto scheme detects and selects the proper D+ and D– settings to communicate with the attached device, so that it can fast-charge at full current. The integrated CDP detection enables up to 1.5-A fast charging of most portable devices with simultaneous data communication.

The unique client-mode feature allows software updates to client devices, but avoids power conflicts by turning off the internal power switch while keeping the data line connection.

Additionally, the TPS2549 device integrates short-to-VBUS protection for D+ and D– to prevent damage when D+ and/or D– unexpectedly short to VBUS. To save space in the application, the TPS2549 device also integrates ESD protection to pass IEC61000-4-2 without external circuitry on D+ and D–.

Elecena nie prowadzi sprzedaży elementów elektronicznych, ani w niej nie pośredniczy.

Produkt pochodzi z oferty sklepu