GaAs MMIC I/Q Upconverter SMT, 16 - 21 GHz
Analog Devices
RSS
Sample
- Darmowa próbka
- MPN:
- HMC710
- Producent:
- ANALOG DEVICES
- Dodany do bazy:
- Ostatnio widziany:
Sugerowane produkty dla hmc710
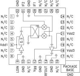
The HMC710 is a compact GaAs MMIC I/Q upconverter in a leadless RoHS compliant SMT package. This device provides a small signal conversion gain of 12 dB with -20 dBc of sideband rejection. The HMC710 utilizes a driver amplifier preceded by an I/Q mixer where the LO is driven by an active x2 multiplier. IF1 and IF2 mixer inputs are provided and an external 90° hybrid is needed to select the required sideband.
The I/Q mixer topology reduces the need for filtering of the unwanted sideband. The HMC710 is a much smaller alternative to hybrid style single sideband upconverter assemblies and it eliminates the need for wire bonding by allowing the use of surface mount manufacturing techniques.
Applications
* Point-to-Point & Point-to-Multi-Point Radio
* Military Radar, EW & ELINT
* Satellite Communications
* Sensors
* High Conversion Gain: 12 dB
* Sideband Rejection: -20 dBc
* 2 LO to RF Isolation: 12 dB
Elecena nie prowadzi sprzedaży elementów elektronicznych, ani w niej nie pośredniczy.
Produkt pochodzi z oferty sklepu Analog Devices