HDMI Transceiver with Xpressview Fast Switching Technology
Analog Devices
RSS
Sample
- Darmowa próbka
- MPN:
- ADV7623
- Producent:
- ANALOG DEVICES
- Dodany do bazy:
- Ostatnio widziany:
Sugerowane produkty dla xpressview
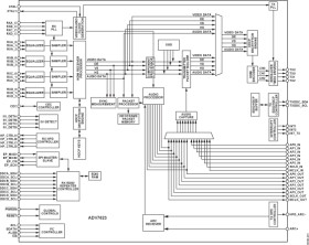
ADV7623 is a high performance 4 input, 1 output, High-Definition Multimedia Interface (HDMI®) transceiver that integrates HDMI receiver and transmitter with digital audio inputs and outputs onto one chip. It supports all HDCP repeater functions through fully tested ADI repeater software libraries and drivers.
The ADV7623 incorporates Xpressview™ fast switching on all input HDMI ports. Using the Analog Devices hardware-based HDCP engine that minimizes software overhead, Xpressview allows fast switching between any HDMI input ports in less than 1 second.
The ADV7623 supports all mandatory 3D TV formats in addition to all HDTV formats up to 1080p, 12-bit Deep Color. The ADV7623 also integrates an HDMI v1.4 CEC controller that supports the capability discovery and control (CDC) feature.
The ADV7623 supports all mandatory 3D TV formats in addition to all HDTV formats up to 1080p, 12-bit Deep Color. The ADV7623 also integrates a CEC controller that supports the capability discovery and control (CDC) feature.
The ADV7623 offers a dedicated flexible audio output port and a dedicated audio input port to allow easy extraction and insertion of audio data into and out of the HDMI stream. All HDMI audio formats, including super audio CD (SACD) via DSD, compressed SACD via DST, and HBR, are supported. The ADV7623 also features an audio return channel (ARC) receiver. ARC simplifies cabling by combining upstream audio capability in a conventional HDMI cable.
Fabricated in an advanced CMOS process, the ADV7623 is provided in a 144-lead, 20 mm × 20 mm, Pb-free LQFP package and is specified over the −20°C to +70°C temperature range.
APPLICATIONS
* AVRs
* HTiB
* Sound bar with HDMI repeater support
* HBR enabled TVs
* Other repeater applications
* 4-input, 1-output HDMI transceiver
* HDMI® 1.4 support
* Audio Return Channel (ARC)
* 3D TV support
* Content Type Bits
* CEC 1.4-compatible (CECCPD and CECHPD)
* Character- and icon-based on-screen display (OSD)
Elecena nie prowadzi sprzedaży elementów elektronicznych, ani w niej nie pośredniczy.
Produkt pochodzi z oferty sklepu Analog Devices