elecena.pl

Small, Dual, High-Efficiency Buck Controller for Notebooks

Analog Devices

Small, Dual, High-Efficiency Buck Controller for Notebooks RSS Sample
  • Darmowa próbka
MPN:
MAX1761
Producent:
ANALOG DEVICES
Dodany do bazy:
Ostatnio widziany:
Zmiana ceny:
-100% (21.01.2025)
Poprzednia cena:
4.41

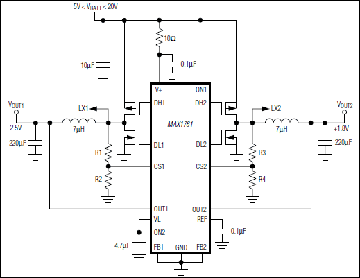
The MAX1761 dual pulse-width-modulation (PWM), step-down controller provides high efficiency, excellent transient response, and high DC output accuracy in an extremely compact circuit topology. These features are essential for stepping down high-voltage batteries to generate low-voltage CPU core, I/O, and chipset RAM supplies in PC board area critical applications, such as notebook computers and smart phones.

Maxim's proprietary Quick-PWM™ quick-response, constant-on-time PWM control scheme handles wide input/output voltage ratios with ease and provides "instant-on" response to load transients while maintaining a relatively constant switching frequency.

The MAX1761 achieves high efficiency at reduced cost by eliminating the current-sense resistor found in traditional current-mode PWMs. Efficiency is further enhanced by its ability to drive large synchronous-rectifier MOSFETs. The MAX1761 employs a complementary MOSFET output stage, which reduces component count by eliminating external bootstrap capacitors and diodes.

Single-stage buck conversion allows this device to directly step down high-voltage batteries for the highest possible efficiency. Alternatively, two-stage conversion (stepping down the +5V system supply instead of the battery) at a higher switching frequency allows the minimum possible physical size.

The MAX1761 is intended for CPU core, chipset, DRAM, or other low-voltage supplies. The MAX1761 is available in a 16-pin QSOP package. For applications requiring greater output power, refer to the MAX1715 data sheet. For a single-output version, refer to the MAX1762/MAX1791 data sheet.

Applications

* 1.8V/2.5V Logic and I/O Supplies * Digital Still Cameras * Handy Terminals * Notebooks and PDAs * Smartphones

* Free-Running On-Demand PWM

* Selectable Light-Load Pulse-Skipping Operation

* ±1% Total DC Error in Forced-PWM Mode

* 5V to 20V Input Range

* Flexible Output Voltages

* OUT1: Dual Mode™ Fixed 2.5V or 1V to 5.5V Adjustable

* OUT2: Dual Mode Fixed 1.8V or 1V to 5.5V Adjustable

* Output Undervoltage Protection

* Complementary Synchronous Buck

* No Current-Sense Resistor

* 4.65V at 25mA Linear Regulator Output

* 4µA V+ Shutdown Supply Current

* 5µA VL Shutdown Supply Current

* 950µA Quiescent Supply Current

* Tiny 16-Pin QSOP Package

Elecena nie prowadzi sprzedaży elementów elektronicznych, ani w niej nie pośredniczy.

Produkt pochodzi z oferty sklepu