elecena.pl

Low-Voltage IF Transceiver with Limiter and RSSI

Analog Devices

Low-Voltage IF Transceiver with Limiter and RSSI RSS Sample
  • Darmowa próbka
MPN:
MAX2511
Producent:
ANALOG DEVICES
Dodany do bazy:
Ostatnio widziany:
Zmiana ceny:
-100% (19.01.2025)
Poprzednia cena:
6.77

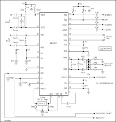
The MAX2511 is a complete, highly integrated IF transceiver for applications employing a dual-conversion architecture. Alternatively, the MAX2511 can be used as a single-conversion transceiver if the RF operating frequency ranges from 200MHz to 440MHz.

In a typical application, the receiver downconverts a high IF/RF (200MHz to 440MHz) to a 10.7MHz low IF using an image-reject mixer. Functions include an image-reject downconverter with 34dB of image suppression followed by an IF buffer that can drive an off-chip IF filter; an on-chip limiting amplifier offering 90dB of monotonic received-signal-strength indication (RSSI); and a robust limiter output driver. The transmit image-reject mixer generates a clean output spectrum to minimize filter requirements. It is followed by a 40dB variable-gain amplifier that maintains IM3 levels below -35dBc. Maximum output power is 2dBm. A VCO and oscillator buffer for driving an external prescaler are also included.

The MAX2511 operates from a 2.7V to 5.5V supply and includes flexible power-management control. Supply current is reduced to 0.1µA in shutdown mode.

For applications using in-phase (I) and quadrature (Q) baseband architecture for the transmitter, Maxim offers a corresponding transceiver product: the MAX2510. The MAX2510 has features similar to those of the MAX2511, but upconverts I/Q baseband signals using a quadrature upconverter.

Applications

* 400MHz ISM Transceivers * IF Transceivers * PACS, PHS, DECT, and Other PCS Wireless Handsets and Base Stations * PWT1900 Wireless Handsets and Base Stations * Wireless Data Links

* Single +2.7V to +5.5V Supply

* Complete Receive Path:

* 200MHz to 440MHz (first IF) to

* 8MHz to 13MHz (second IF)

* Limiter with Differential Outputs (adjustable level)

* RSSI Function with 90dB Monotonic Dynamic Range

* Complete Transmit Path:

* 8MHz to 13MHz (second IF) to

* 200MHz to 440MHz (first IF)

* On-Chip Oscillator with Voltage Regulator and Buffer

* Advanced System Power Management (four modes)

* 0.1µA Shutdown Supply Current

Elecena nie prowadzi sprzedaży elementów elektronicznych, ani w niej nie pośredniczy.

Produkt pochodzi z oferty sklepu