Buffered, Fast-Settling, Dual, 12-/10-/8-Bit, Voltage-Output DACs
Analog Devices
RSS
Sample
- Darmowa próbka
- MPN:
- MAX5291
- Producent:
- ANALOG DEVICES
- Dodany do bazy:
- Ostatnio widziany:
- Zmiana ceny:
- -100% (21.01.2025)
- Poprzednia cena:
- 5.95
Sugerowane produkty dla max5295
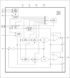
The MAX5290–MAX5295 dual, 12-/10-/8-bit, voltage-output digital-to-analog converters (DACs) offer buffered outputs and a 3µs maximum settling time at the 12-bit level. The DACs operate from a 2.7V to 5.25V analog supply and a separate 1.8V to 3.6V digital supply. The 20MHz 3-wire serial interface is compatible with SPI™, QSPI™, MICROWIRE™, and digital signal processor (DSP) protocol applications. Multiple devices can share a common serial interface in direct access or daisy-chained configuration. The MAX5290–MAX5295 provide two multifunctional, user-programmable, digital I/O ports. The externally selectable power-up states of the DAC outputs are either zero scale, midscale, or full scale. Software-selectable FAST and SLOW settling modes decrease settling time in FAST mode, or reduce supply current in SLOW mode.
The MAX5290/MAX5291 are 12-bit DACs, the MAX5292/MAX5293 are 10-bit DACs, and the MAX5294/MAX5295 are 8-bit DACs. The MAX5290/MAX5292/MAX5294 provide unity-gain-configured output buffers, while the MAX5291/MAX5293/MAX5295 provide force-sense-configured output buffers. The MAX5290–MAX5295 are specified over the extended -40°C to +85°C temperature range, and are available in space-saving 4mm x 4mm, 16-pin thin QFN and 6.5mm x 5mm, 14-pin and 16-pin TSSOP packages.
Applications
* Automated Test Equipment (ATE) * Automatic Tuning * Digital Offset and Gain Adjustments * Fast Parallel DAC to Serial DAC Upgrades * Industrial Process Controls * Microprocessor (µP)-Controlled Systems * Motion Control * Portable Instrumentation * Power Amplifier Control * Programmable Attenuators * Programmable Voltage and Current Sources
* Dual, 12-/10-/8-Bit Serial DACs in 4mm x 4mm Thin QFN and TSSOP Packages
* 3µs (max) 12-Bit Settling Time to 1/2 LSB
* Integral Nonlinearity
* 1 LSB (max) MAX5290/MAX5291 A-Grade (12-Bit)
* 1 LSB (max) MAX5292/MAX5293 (10-Bit)
* 1/2 LSB (max) MAX5294/MAX5295 (8-Bit)
* Guaranteed Monotonic, ±1 LSB (max) DNL
* Two User-Programmable Digital I/O Ports
* Single +2.7V to +5.25V Analog Supply
* +1.8V to AVDD Digital Supply
* 20MHz 3-Wire SPI-/QSPI-/MICROWIRE- and DSP-Compatible Serial Interface
* Glitch-Free Outputs Power Up to Zero Scale, Midscale or Full Scale
* Unity-Gain- or Force-Sense-Configured Output Buffers
Elecena nie prowadzi sprzedaży elementów elektronicznych, ani w niej nie pośredniczy.
Produkt pochodzi z oferty sklepu Analog Devices