I²C Port Expanders with Eight I/O Ports
Analog Devices
RSS
Sample
- Darmowa próbka
- MPN:
- MAX7328
- Producent:
- ANALOG DEVICES
- Dodany do bazy:
- Ostatnio widziany:
Sugerowane produkty dla max7328
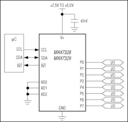
The MAX7328/MAX7329 are 2-wire serial-interfaced peripherals with eight I/O ports. Any port can be used as a logic input or an open-drain output.
All input ports are continuously monitored for state changes (transition detection). Transitions are alerted through the open-drain, 5.5V-tolerant active-low INT output.
The MAX7328 and MAX7329 versions differ only by their slave ID address ranges. The MAX7328 has a slave ID range of 0100xxx (0x20 to 0x27). The MAX7329 has a slave ID range of 0111xxx (0x38 to 0x3F).
For a similar part with overvoltage-protected I/Os and a bus active-low RST input that clears the I²C serial interface, refer to the MAX7321 data sheet. The MAX7328/MAX7329 are members of a family of pin-compatible port expanders with a choice of input ports, open-drain I/O ports, and push-pull output ports (see the Selector Guide in the full data sheet).
Applications
* Industrial * Notebooks * RAID * Servers
* 100kHz, 5.5V-Tolerant, I2C-Compatible Serial Interface
* 2.5V to 5.5V Operating Supply Voltage Range
* Low-Standby-Current Consumption of 10µA (max)
* I2C Bus-to-Parallel-Port Expander
* Open-Drain Interrupt Output Active-Low INT
* 8-Bit Remote I/O Port for the I2C Bus
* Latched Outputs with High-Current-Drive Capability for Directly Driving LEDs
* Address by Three Hardware Address Pins for Use of Up to Eight Devices (Up to 16 Using Both MAX7328/MAX7329)
* Second Sources to PCF8574 and PCF8574A
Elecena nie prowadzi sprzedaży elementów elektronicznych, ani w niej nie pośredniczy.
Produkt pochodzi z oferty sklepu Analog Devices