elecena.pl

Dual Per-Pin Parametric Measurement Units

Analog Devices

Dual Per-Pin Parametric Measurement Units RSS Sample
  • Darmowa próbka
MPN:
MAX9952
Producent:
ANALOG DEVICES
Dodany do bazy:
Ostatnio widziany:

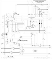
The MAX9951/MAX9952 dual parametric measurement units (PMUs) feature a small package size, wide force and measurement range, and high accuracy, making the devices ideal for automatic test equipment (ATE) and other instrumentation that requires a PMU per pin or per site.

The MAX9951/MAX9952 force or measure voltages in the -2V to +7V through -7V to +13V ranges, dependent upon the supply voltage (VCC and VEE). The devices handle supply voltages of up to +30V (VCC to VEE) and a 20V device-under-test (DUT) voltage swing at full current. The MAX9951/MAX9952 also force or measure currents up to ±64mA with a lowest full-scale range of ±2µA. Integrated support circuitry facilitates use of an external buffer amplifier for current ranges greater than ±64mA.

A voltage proportional to the measured output voltage or current is provided at the MSR output. Integrated comparators, with externally set voltage thresholds, provide detection for both voltage and current levels. The MSR and comparator outputs can be placed in a high-impedance state. Separate FORCE and SENSE connections are short-circuit protected for voltages from (VEE - 0.3V) to (VCC + 0.3V). The FORCE output also features a low-leakage, high-impedance state.

Integrated voltage clamps limit the force output to levels set externally. The force-current or the measure-current voltage can be offset -0.2V to +4.4V (IOS). This feature allows for the centering of the control or measured signal within the external DAC or ADC range.

The MAX9951D/MAX9952D feature an integrated 10kΩ force-sense resistor between FORCE and SENSE. The MAX9951F/MAX9952F have no internal force-sense resistor. These devices are available in a 64-pin, 10mm x 10mm, 0.5mm pitch TQFP package with an exposed 8mm x 8mm die pad on the top (MAX9951) or the bottom (MAX9952) of the package for efficient heat removal. The exposed pad is internally connected to VEE. The MAX9951/MAX9952 are specified over the commercial 0°C to +70°C temperature range.

Applications

* Memory Testers * Structural Testers * System-on-a-Chip Testers * VLSI Testers

* Force Voltage/Measure Current (FVMI)

* Force Current/Measure Voltage (FIMV)

* Force Voltage/Measure Voltage (FVMV)

* Force Current/Measure Current (FIMI)

* Force Nothing/Measure Voltage (FNMV)

* Force Nothing/Measure Current (FNMI, Range E Only)

* Termination/Measure Current

* Termination/Measure Voltage

* Five Programmable Current Ranges

* ±2µA

* ±20µA

* ±200µA

* ±2mA

* ±64mA

* -2V to +7V Through -7V to +13V Input-Voltage Range

* Force-Current/Measure-Current Adjustable-Voltage Offset (IOS)

* Programmable Voltage Clamps at Force Output

* Low-Leakage, High-Impedance Measure, and Force States

* 3-Wire Serial Interface

* Low 6mA (max) Quiescent Current per PMU

Elecena nie prowadzi sprzedaży elementów elektronicznych, ani w niej nie pośredniczy.

Produkt pochodzi z oferty sklepu