Stereo Audio CODECs with Microphone, DirectDrive Headphones, Speaker Amplifiers, or Line Outputs
Analog Devices
RSS
Sample
- Darmowa próbka
- MPN:
- MAX9851
- Producent:
- ANALOG DEVICES
- Dodany do bazy:
- Ostatnio widziany:
Sugerowane produkty dla max9851
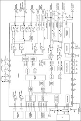
The MAX9851/MAX9853 are single-chip, stereo audio CODECs designed to provide a complete audio solution for a GSM/GPRS/EDGE cell phone. The MAX9851/MAX9853 provide stereo DirectDrive® headphone amplifiers, a mono receiver speaker amplifier, stereo Class D speaker amplifiers (MAX9851 only), stereo differential line outputs (MAX9853 only), microphone input amplifiers, plus flexible input selection and gain control. Two serial digital audio interfaces are included, one intended to accept voiceband data and the other accepting I²S data. The voiceband interface can be reconfigured as needed to act as a secondary I²S feed input—allowing multiple audio source mixing of ringer tones or other audio at different sample rates. A transducer/vibrator signal can be derived from digital audio.
The stereo digital-to-analog converter (DAC) path includes filtering and mixing, programmable-gain amplifiers (PGA), soft muting, and optional voiceband digital filtering. The MAX9851/MAX9853 accept up to two digital audio inputs at different sample rates. All analog inputs have PGAs on the front end, allowing dynamic range optimization with a wide range of input sources.
The stereo analog-to-digital converter (ADC) converts audio signals from either internal or external microphones or stereo line inputs. The microphone amplifiers have a programmable gain from 0 to 40dB to handle both amplified microphones and electret modules. In addition to a digital highpass filter to remove DC offset voltages, the ADC also features voiceband digital filtering.
The digital audio interfaces support a variety of serial audio formats. The secondary serial audio interface has an independent supply voltage to allow integration into multiple supply systems. Control for volume levels, signal mixing, and operating modes is done through the I²C 2-wire interface.
All circuitry is optimized for high PSRR. The MAX9851/MAX9853 use a thermally efficient, space-saving 48-pin thin QFN package (7mm x 7mm x 0.8mm) with an exposed pad.
Applications
* Game Consoles * GSM/GPRS/EDGE Cell Phones * MP3 Player * Multimedia Phones * PDAs/Smartphones * PMP Player * TD-SCDMA Cellphone * UMTS Cellphone
* +1.7V to +3.3V (Digital) and +2.6V to +3.3V (Analog) Operation
* +2.6V to +5.5V Class D Speaker Amplifier Operation (Direct from Battery)
* Low 26mW Quiescent Power Consumption (Playback)
* High 98dB Power-Supply Rejection Ratio
* 8kHz to 48kHz Sample Rate (Replay and Record)
* Stereo 18-Bit ADC and DAC
* Low-Noise Stereo Microphone Inputs and Stereo Line Inputs
* Dual Source Digital Mixing (DAC)
* Selectable Voiceband Filter for Recording/Playback Modes
* Digital Filtering, Soft Mute, and Volume Control
* Low-Noise, High-PSRR Microphone Bias Generator
* Stereo DirectDrive Headphone Amplifier (2 x 50mW)
* Mono DirectDrive Handset Receiver Amplifier (1 x 105mW)
* Stereo Class D, Ultra-Low-EMI, Filterless Speaker Amplifier with Active Emissions Limiting (2 x 1.25W, 8Ω) (MAX9851)
* Stereo Differential Line Output Amplifiers (MAX9853)
* Clickless/Popless Operation
* Flexible Shutdown Modes for Power Saving
* Comprehensive Headset Detection
* Ultra-Low Power Wake-Up on Headset Detection
Elecena nie prowadzi sprzedaży elementów elektronicznych, ani w niej nie pośredniczy.
Produkt pochodzi z oferty sklepu Analog Devices