elecena.pl

800Mbps, LVDS/LVPECL-to-LVDS 2 x 2 Crosspoint Switch

Analog Devices

800Mbps, LVDS/LVPECL-to-LVDS 2 x 2 Crosspoint Switch RSS Sample
  • Darmowa próbka
MPN:
MAX9152
Producent:
ANALOG DEVICES
Dodany do bazy:
Ostatnio widziany:
Zmiana ceny:
-100% (20.01.2025)
Poprzednia cena:
6.21

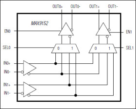
he MAX9152 2 x 2 crosspoint switch is designed for applications requiring high speed, low power, and low-noise signal distribution. This device includes two LVDS/LVPECL inputs, two LVDS outputs, and two logic inputs that set the internal connections between differential inputs and outputs.

The MAX9152 can be programmed to connect any input to either or both outputs, allowing it to be used in the following configurations: 2 5 2 crosspoint switch, 2:1 mux, 1:2 demux, 1:2 splitter, or dual repeater. This flexibility makes the MAX9152 ideal for protection switching in fault-tolerant systems, loopback switching for diagnostics, fanout buffering for clock/data distribution, and signal regeneration for communication over extended distances.

Ultra-low 120psPK-PK (max) PRBS jitter ensures reliable communications in high-speed links that are highly sensitive to timing error, especially those incorporating clock-and-data recovery, or serializers and deserializers. The high-speed switching performance guarantees an 800Mbps data rate and less than 50ps (max) skew between channels.

LVDS inputs and outputs are compatible with the TIA/EIA-644 LVDS standard. The LVDS inputs are designed to also accept LVPECL signals directly, and PECL signals with an attenuation network. The LVDS outputs are designed to drive 75Ω or 100Ω loads, and feature a selectable differential output resistance to minimize reflections.

The MAX9152 is available in 16-pin TSSOP and SO packages, and consumes only 109mW while operating from a single +3.3V supply over the -40°C to +85°C temperature range.

* Pin-Programmable Configuration

* 2 x 2 Crosspoint Switch

* 2:1 Mux

* 1:2 Demux

* 1:2 Splitter

* Dual Repeater

* Ultra-Low 120psPK-PK (max) Jitter with 800Mbps, PRBS = 223 -1 Data Pattern

* Low 50ps (max) Channel-to-Channel Skew

* 109mW Power Dissipation

* Compatible with ANSI TIA/EIA-644 LVDS Standard

* Inputs Accept LVDS/LVPECL Signals

* LVDS Output Rated for 75Ω and 100Ω Loads

* Pin-Programmable Differential Output Resistance

* Pin-Compatible Upgrade to DS90CP22 (SO Package)

* Available in 16-Pin TSSOP Package (Half the Size of SO)

Elecena nie prowadzi sprzedaży elementów elektronicznych, ani w niej nie pośredniczy.

Produkt pochodzi z oferty sklepu