Interleaved High-Efficiency, Dual Power-Supply Controllers for Notebook Computers
Analog Devices
RSS
Sample
- Darmowa próbka
- MPN:
- MAX8756
- Producent:
- ANALOG DEVICES
- Dodany do bazy:
- Ostatnio widziany:
Sugerowane produkty dla max8756
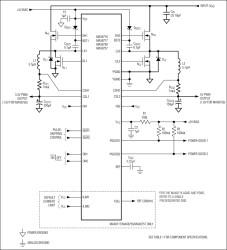
The MAX8716/MAX8717/MAX8756/MAX8757 are dual, step-down, interleaved, fixed-frequency, switch-mode power-supply (SMPS) controllers with synchronous rectification. The MAX8716/MAX8717/MAX8756/MAX8757 are intended for main (5V/3.3V) power generation, while the MAX8756 is optimized for I/O power rails in battery-powered systems.
Fixed-frequency operation with optimal interleaving minimizes input ripple current from the lowest input voltages up to the 26V maximum input. Optimal 40/60 interleaving allows the input voltage to go down to 8.3V before duty-cycle overlap occurs in 5V/3.3V applications, compared to 180° out-of-phase regulators where the duty-cycle overlap occurs when the input drops below 10V.
Accurate output current limit is achieved using a sense resistor. Alternatively, power dissipation can be reduced using lossless inductor current sensing. Independent ON/OFF controls and power-good signals allow flexible power sequencing. Soft-start reduces inrush current, while soft-stop gradually ramps the output voltage down preventing negative voltage dips.
A low-noise mode maintains high light-load efficiency while keeping the switching frequency out of the audible range.
The MAX8716 is available in a 24-pin thin QFN package, and the MAX8717/MAX8756/MAX8757 are available in a 28-pin thin QFN package.
Applications
* 2 to 4 Li+ Cell Battery-Powered Devices * Main or I/O Power Supplies * Notebook and Subnotebook Computers * PDAs and Mobile Communicators
* Fixed Switching Frequency
* 200kHz, 300kHz, or 500kHz
* 250kHz, 300kHz, or 400kHz (MAX8756 Only)
* No Current-Sense Resistor Required
* 40/60 Optimal Interleaving
* Reduced Input-Capacitor Requirement
* Output Voltage Fixed or Adjustable Outputs (Dual Mode™)
* 3.3V/5V Fixed or 1V to 5.5V Adjustable
* 1.5V/1.8V Fixed or 1V to 2.3V Adjustable (MAX8756 Only)
* 4V to 26V Input Range
* Independently Selectable PWM, Skip, and Low-Noise Mode Operation
* Soft-Start and Soft-Stop
* 2V Precision Reference with 0.75% Accuracy
* Independent Power-Good Outputs
Elecena nie prowadzi sprzedaży elementów elektronicznych, ani w niej nie pośredniczy.
Produkt pochodzi z oferty sklepu Analog Devices