elecena.pl

3.5-V to 65-V, dual-output, stackable, synchronous buck DC/DC controller with ultra-low IQ

Texas Instruments

3.5-V to 65-V, dual-output, stackable, synchronous buck DC/DC controller with ultra-low IQ RSS Sample
  • Darmowa próbka
MPN:
LM5143
Producent:
TEXAS INSTRUMENTS
Dodany do bazy:
Ostatnio widziany:

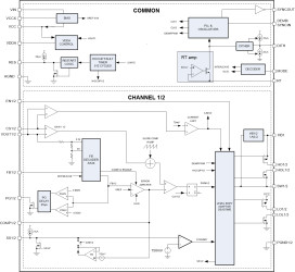
The LM5143 is a 65-V DC/DC synchronous buck controller for high-current single or dual outputs. Deriving from a family of wide-VIN range controllers, the device uses an interleaved, stackable, peak current-mode control architecture for easy loop compensation, fast transient response, excellent load and line regulation, and accurate current sharing with paralleled phases for higher output current. A high-side switch minimum on time of 65 ns provides large step-down ratios, enabling the direct conversion from 12-V, 24-V, or 48-V inputs to low-voltage rails for reduced system complexity and cost. The LM5143 continues to operate during input voltage dips as low as 3.5 V, at nearly 100% duty cycle if needed.

The 15-µA no-load quiescent current with the output voltage in regulation extends operating run-time in battery-powered systems. Power the LM5143 from the output of the switching regulator or another available source for even lower input quiescent current and power loss.

Elecena nie prowadzi sprzedaży elementów elektronicznych, ani w niej nie pośredniczy.

Produkt pochodzi z oferty sklepu