elecena.pl

3-series to 10-series multicell battery monitor and protector

Texas Instruments

3-series to 10-series multicell battery monitor and protector RSS Sample
  • Darmowa próbka
MPN:
BQ76942
Producent:
TEXAS INSTRUMENTS
Dodany do bazy:
Ostatnio widziany:

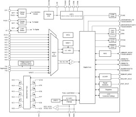
The Texas Instruments BQ76942 is a highly integrated, high accuracy battery monitor and protector for 3-series to 10-series Li-ion, Li-polymer, and LiFePO‌‌‍‍‍‍‍‍‍‍‍‍‍‍‍‍‍‍‍‍‍4 battery packs. The device includes a high-accuracy monitoring system, a highly configurable protection subsystem, and support for autonomous or host-controlled cell balancing. Integration includes high-side charge-pump NFET drivers, dual programmable LDOs for external system use, and a host communication peripheral supporting 400-kHz I2C, SPI, and HDQ one-wire standards. The BQ76942 is available in a 48-pin TQFP package.

Elecena nie prowadzi sprzedaży elementów elektronicznych, ani w niej nie pośredniczy.

Produkt pochodzi z oferty sklepu