elecena.pl

1-series Impedance Track™ battery fuel gauge and protection with true 0V charging

Texas Instruments

1-series Impedance Track™ battery fuel gauge and protection with true 0V charging RSS Sample
  • Darmowa próbka
MPN:
BQ27Z758
Producent:
TEXAS INSTRUMENTS
Dodany do bazy:
Ostatnio widziany:

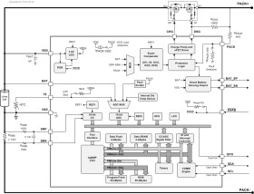
The Texas Instruments BQ27Z758 Impedance Track™ gas gauge solution is a highly integrated, accurate 1-series cell gas gauge and protection solution.

The BQ27Z758 device provides a fully integrated, pack-based solution with a flash programmable custom reduced instruction-set CPU (RISC), safety protection, differential battery sensing analog output, and authentication for 1-series cell Li-ion and Li-polymer battery packs.

The BQ27Z758 gas gauge communicates through an I2C compatible interface and combines an ultra-low power TI BQBMP processor, high accuracy analog measurement capabilities, integrated flash memory, N-CH high-side FET drive, and a SHA-2 Authentication transform responder into a complete, high-performance battery management solution.

Elecena nie prowadzi sprzedaży elementów elektronicznych, ani w niej nie pośredniczy.

Produkt pochodzi z oferty sklepu