Ultra-small integrated AFE for wearable optical heart-rate monitoring and SpO2
Texas Instruments
RSS
Sample
Przejdź do sklepu »
- Darmowa próbka
- MPN:
- AFE4950
- Producent:
- TEXAS INSTRUMENTS
- Dodany do bazy:
- Ostatnio widziany:
Sugerowane produkty dla afe4950
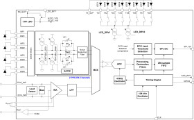
The AFE4950 device is an analog front-end (AFE) for synchronized signal acquisition of PPG and ECG signals. The device can also be used for optical bio-sensing applications, such as heart-rate monitoring (HRM) and saturation of peripheral capillary oxygen (SpO2). The ECG signal chain supports 2- and 3-electrode configurations and has an integrated Right leg drive (RLD) buffer. The ECG signal chain can also be used to do a continuous, low-power monitoring of the impedance between pair of electrodes.
Elecena nie prowadzi sprzedaży elementów elektronicznych, ani w niej nie pośredniczy.
Produkt pochodzi z oferty sklepu Texas Instruments