elecena.pl

2/3-port 12-Mbps USB full-speed hub with optional serial EEPROM interface

Texas Instruments

2/3-port 12-Mbps USB full-speed hub with optional serial EEPROM interface RSS Sample
  • Darmowa próbka
MPN:
TUSB2036
Producent:
TEXAS INSTRUMENTS
Dodany do bazy:
Ostatnio widziany:

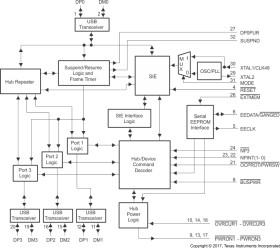
The TUSB2036 hub is a 3.3-V CMOS device that provides up to three downstream ports in compliance with the USB 2.0 specification. Because this device is implemented with a digital state machine instead of a microcontroller, no firmware programming is required. Fully-compliant USB transceivers are integrated into the ASIC for all upstream and downstream ports. The downstream ports support both full-speed and low-speed devices by automatically setting the slew rate according to the speed of the device attached to the ports. The configuration of the BUSPWR pin selects either the bus-powered or the self-powered mode. The introduction of the DP0 pullup resistor disable pin, DP0PUR, makes it much easier to implement an onboard bus/self-power dynamic-switching circuitry. With the new function pin, the end-equipment vendor can reduce the total board cost while adding additional product value.

The EXTMEM (pin 26) enables or disables the optional EEPROM interface. When EXTMEM is high, the vendor and product IDs (VID and PID) use defaults, such that the message displayed during enumeration is General Purpose USB Hub.

The TUSB2036 supports both bus-powered and self-powered modes. External power-management devices, such as the TPS2044, are required to control the 5-V power source switching (on/off) to the downstream ports and to detect an overcurrent condition from the downstream ports individually or ganged.

An individually port power controlled hub switches power on or off to each downstream port as requested by the USB host. Also when an individually port power controlled hub senses an over-current event, only power to the affected downstream port will be switched off. A ganged hub switches on power to all its downstream ports when power is required to be on for any port. The power to the downstream ports is not switched off unless all ports are in a state that allows power to be removed. Also when a ganged hub senses an over-current event, power to all downstream ports will be switched off.

The logic level of the MODE pin controls the selection of a crystal input to drive an internal oscillator or an external clock source.

Elecena nie prowadzi sprzedaży elementów elektronicznych, ani w niej nie pośredniczy.

Produkt pochodzi z oferty sklepu