elecena.pl

1.5-A Dual input Switchmode charger with USB-OTG Support

Texas Instruments

1.5-A Dual input Switchmode charger with USB-OTG Support RSS Sample
  • Darmowa próbka
MPN:
BQ24140
Producent:
TEXAS INSTRUMENTS
Dodany do bazy:
Ostatnio widziany:

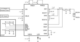
The bq24140 is a compact, flexible, high-efficiency, USB-friendly switch-mode charge management device for single-cell Li-ion and Li-polymer batteries used in a wide range of portable applications. The charge parameters can be programmed through an I2C interface. The IC integrates two synchronous PWM chargers, power MOSFETs, input current sensing, high-accuracy current and voltage regulation, and charge termination, into a small WCSP package.

The IC charges the battery in three phases: conditioning, constant current and constant voltage. The input current is automatically limited to the value set by the host. Charge is terminated based on user-selectable minimum current level. A safety timer with reset control provides a safety backup for I2C interface. During normal operation, the IC automatically restarts the charge cycle if the battery voltage falls below an internal threshold and automatically enters sleep mode or high impedance mode when the input supply is removed. The charge status can be reported to the host using the I2C interface. During the charging process, the IC monitors its junction temperature (TJ) and reduces the charge current once TJ increases to 125°C typical. To support USB OTG device, the IC can provide VBUS (5.05V typical) by boosting the battery voltage. The IC is available in 30-pin WCSP package.

Elecena nie prowadzi sprzedaży elementów elektronicznych, ani w niej nie pośredniczy.

Produkt pochodzi z oferty sklepu