1.5-A boost, buck, inverting switching regulator, operation from 0°C to 70°C
Texas Instruments
RSS
Sample
- Darmowa próbka
- MPN:
- MC34063A
- Producent:
- TEXAS INSTRUMENTS
- Dodany do bazy:
- Ostatnio widziany:
Sugerowane produkty dla mc33063
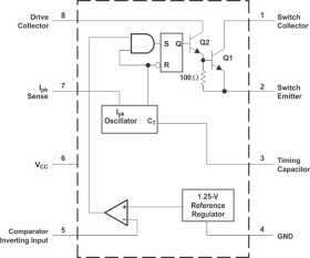
The MC33063A and MC34063A devices are easy-to-use ICs containing all the primary circuitry needed for building simple DC-DC converters. These devices primarily consist of an internal temperature-compensated reference, a comparator, an oscillator, a PWM controller with active current limiting, a driver, and a high-current output switch. Thus, the devices require minimal external components to build converters in the boost, buck, and inverting topologies.
The MC33063A device is characterized for operation from –40°C to 85°C, while the MC34063A device is characterized for operation from 0°C to 70°C.
Elecena nie prowadzi sprzedaży elementów elektronicznych, ani w niej nie pośredniczy.
Produkt pochodzi z oferty sklepu Texas Instruments