elecena.pl

3V to 4V Input, 9A Synchronous Step-Down SWIFT™ Converter

Texas Instruments

3V to 4V Input, 9A Synchronous Step-Down SWIFT™ Converter RSS Sample
  • Darmowa próbka
MPN:
TPS54917
Producent:
TEXAS INSTRUMENTS
Dodany do bazy:
Ostatnio widziany:

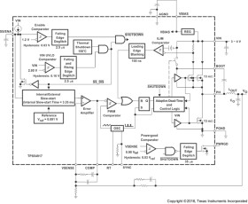
As a member of the SWIFT™ family of DC-DC regulators, the TPS54917 low-input voltage high-output current synchronous buck PWM converter offers the same features as the TPS54910 in a smaller package and higher switching frequency, which allows for a smaller total solution. Included on the substrate with the listed features are a true, high performance, voltage error amplifier that enables maximum performance under transient conditions and flexibility in choosing the output filter L and C components; an undervoltage lockout (UVLO) circuit to prevent start-up until the input voltage reaches 3 V; an internally and externally set slow-start circuit to limit in-rush currents; and a power good output useful for processor or logic reset, fault signaling, and supply sequencing.

The TPS54917 is available in a thermally enhanced 34-pin VQFN (RUV) PowerPAD™ package, which eliminates bulky heat sinks. TI provides evaluation modules and the SwitcherPro design software tool to aid in achieving high-performance power supply designs to meet aggressive equipment development cycles.

Elecena nie prowadzi sprzedaży elementów elektronicznych, ani w niej nie pośredniczy.

Produkt pochodzi z oferty sklepu