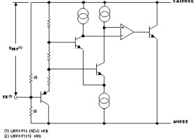
Adjustable, precision micropower shunt voltage reference with 1% accuracy
Texas Instruments
RSS
Sample
- Darmowa próbka
- MPN:
- LM4041D
- Producent:
- TEXAS INSTRUMENTS
- Dodany do bazy:
- Ostatnio widziany:
Sugerowane produkty dla lm4041
The LM4041 series of shunt voltage references are versatile, easy-to-use references designed for a wide array of applications. These parts do not require external capacitors for operation and are stable with all capacitive loads. Additionally, the reference offers low dynamic impedance, low noise, and a low temperature coefficient to maintain a stable output voltage over a wide range of operating currents and temperatures. The LM4041 uses fuse and Zener-zap reverse breakdown voltage trim during wafer sort to offer four output voltage tolerances, ranging from 0.1% (maximum) for the A grade to 1% (maximum) for the D grade. Thus, a great deal of flexibility is offered to designers in choosing the best cost-to-performance ratio for applications. The LM4041 is available in a fixed (1.225V nominal) or an adjustable version (which requires an external resistor divider to set the output to a value between 1.225V and 10V).
Packaged in space-saving SC-70 and SOT-23-3 and requiring a minimum current of 45µA (typical), the LM4041 also designed for portable applications. The TO-92 package also is available for through-hole packaging needs. The LM4041xI is characterized for operation over an ambient temperature range of –40°C to 85°C. The LM4041xQ is characterized for operation over an ambient temperature range of –40°C to 125°C.
Elecena nie prowadzi sprzedaży elementów elektronicznych, ani w niej nie pośredniczy.
Produkt pochodzi z oferty sklepu Texas Instruments