elecena.pl

Dual-Phase, D-CAP+™ Mode Step Down Power Management IC for 50A+ Applications

Texas Instruments

Dual-Phase, D-CAP+™ Mode Step Down Power Management IC for 50A+ Applications RSS Sample
  • Darmowa próbka
MPN:
TPS51727
Producent:
TEXAS INSTRUMENTS
Dodany do bazy:
Ostatnio widziany:

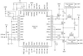
The TPS51727 is a complete, step down controller with integrated gate drivers. The PCNT pin enables operation in dual or single-phase mode to optimize efficiency depending on the load requirements. The advanced D-CAP+ architecture provides fast transient response with minimum output capacitance. The DAC supports VID-on-the-fly transitions to optimize the output voltage to the operating state of the system to meet idle power requirements. The auto-skip feature of the TPS51727 optimizes light-load efficiency in both single and dual phase operation. System management features include an adjustable thermal sensor, output power monitoring and sleep state controls. Adjustable control of VOUT slew rate and voltage positioning are provided. In addition, the TPS51727 includes two high-current MOSFET gate drivers to drive high and low side N-channel MOSFETs with exceptionally high speed and low switching loss The PCNT and VID0 through VID4, pins have flexible LV I/O thresholds that enable interface with logic voltages from 1.0 V to 3.6 V. The TPS51727 is packaged in a space saving, thermally enhanced, RoHS compliant 40-pin QFN and is rated to operate from -10°C to 100°C.

Elecena nie prowadzi sprzedaży elementów elektronicznych, ani w niej nie pośredniczy.

Produkt pochodzi z oferty sklepu