elecena.pl

Low skew, 1-to-4 multiplexed differential/LVCMOS-to-LVCMOS/TTL fanout buffer

Texas Instruments

Low skew, 1-to-4 multiplexed differential/LVCMOS-to-LVCMOS/TTL fanout buffer RSS Sample
  • Darmowa próbka
MPN:
LMK00804B
Producent:
TEXAS INSTRUMENTS
Dodany do bazy:
Ostatnio widziany:

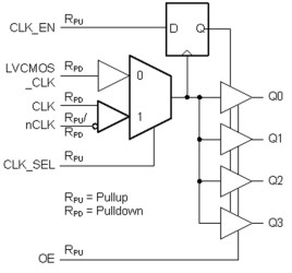
The LMK00804B is a low skew, high performance clock fanout buffer which can distribute up to four LVCMOS/LVTTL outputs (3.3-V, 2.5-V, 1.8-V, or 1.5-V levels) from one of two selectable inputs, which can accept differential or single-ended inputs. The clock enable input is synchronized internally to eliminate runt or glitch pulses on the outputs when the clock enable terminal is asserted or de-asserted. The outputs are held in logic low state when the clock is disabled. A separate output enable terminal controls whether the outputs are active state or high-impedance state. The low additive jitter and phase noise floor, and guaranteed output and part-to-part skew characteristics make the LMK00804B ideal for applications demanding high performance and repeatability.

See also Device Comparison Table for descriptions of CDCLVC1310 and LMK00725 parts.

Elecena nie prowadzi sprzedaży elementów elektronicznych, ani w niej nie pośredniczy.

Produkt pochodzi z oferty sklepu