elecena.pl

Microwave Wideband Synthesizer with Integrated VCO

Analog Devices

Microwave Wideband Synthesizer with Integrated VCO RSS Sample
  • Darmowa próbka
MPN:
ADF4355-2
Producent:
ANALOG DEVICES
Dodany do bazy:
Ostatnio widziany:
Zmiana ceny:
-100% (21.01.2025)
Poprzednia cena:
16.01

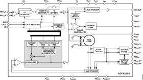
The ADF4355-2 allows implementation of fractional-N or integer-N phase-locked loop (PLL) frequency synthesizers when used with an external loop filter and an external reference frequency. A series of frequency dividers permits operation from 54 MHz to 4400 MHz.

The ADF4355-2 has an integrated VCO with a fundamental output frequency ranging from 3400 MHz to 6800 MHz. In addition, the VCO frequency is connected to divide by 1, 2, 4, 8, 16, 32, or 64 circuits that allow the user to generate RF output frequencies as low as 54 MHz. For applications that require isolation, the RF output stage can be muted. The mute function is both pin and software controllable.

Control of all on-chip registers is through a simple 3-wire interface. The ADF4355-2 operates with analog and digital power supplies ranging from 3.15 V to 3.45 V, with charge pump and VCO supplies from 4.75 V to 5.25 V. The ADF4355-2 also contains hardware and software power-down modes.

Applications

* Wireless infrastructure (W-CDMA, TD-SCDMA, WiMAX, GSM, PCS, DCS, DECT)

* Point to point/point to multipoint microwave links

* Satellites/VSATs

* Test equipment/instrumentation

* Clock generation

* RF output frequency range: 54 MHz to 4400 MHz

* Fractional-N synthesizer and integer-N synthesizer

* High resolution 38-bit modulus

* Low phase noise, voltage controlled oscillator (VCO)

* Programmable divide by 1, 2, 4, 8, 16, 32, or 64 output

* Analog and digital power supplies: 3.3 V

* Charge pump and VCO power supplies: 5 V typical

* Logic compatibility: 1.8 V

* Programmable dual modulus prescaler of 4/5 or 8/9

* Programmable output power level

* RF output mute function

* 3-wire serial interface

* Analog and digital lock detect

Elecena nie prowadzi sprzedaży elementów elektronicznych, ani w niej nie pośredniczy.

Produkt pochodzi z oferty sklepu