elecena.pl

GaAs MMIC I/Q Upconverter, 37 - 40 GHz

Analog Devices

GaAs MMIC I/Q Upconverter, 37 - 40 GHz RSS Sample
  • Darmowa próbka
MPN:
HMC6787A
Producent:
ANALOG DEVICES
Dodany do bazy:
Ostatnio widziany:

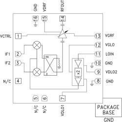
The HMC6787ALC5A is a compact GaAs MMIC I/Q variable gain upconverter in a leadless RoHS compliant SMT package. This device provides a small signal conversion gain of 11 dB with 17 dBc of sideband rejection, and 13 dB of gain control. The HMC6787ALC5A utilizes a RF variable gain amplifier preceded by an I/Q mixer where the LO is driven by a X2 multiplier. IF1 and IF2 mixer inputs are provided and an external 90° hybrid is needed to select the required sideband. The I/Q mixer topology reduces the need for filtering of the unwanted sideband. The HMC6787ALC5A is a much smaller alternative to hybrid style single sideband upconverter assemblies and it eliminates the need for wire bonding by allowing the use of surface mount manufacturing techniques.

APPLICATIONS

* Point-to-Point and Point-to-Multi-Point Radio

* Military Radar, EW & ELINT

* Satellite Communications

* Sensors

* Conversion Gain: 10 dB

* Sideband Rejection: 17 dBc

Elecena nie prowadzi sprzedaży elementów elektronicznych, ani w niej nie pośredniczy.

Produkt pochodzi z oferty sklepu