elecena.pl

12-V nominal, 3-A peak sensored sinusoidal or trapezoidal control 3-phase BLDC motor driver

Texas Instruments

12-V nominal, 3-A peak sensored sinusoidal or trapezoidal control 3-phase BLDC motor driver RSS Sample
  • Darmowa próbka
MPN:
DRV10970
Producent:
TEXAS INSTRUMENTS
Dodany do bazy:
Ostatnio widziany:

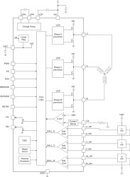
The DRV10970 is an integrated three-phase BLDC motor driver for home appliance, cooling fans, and other general-purpose motor control applications. The embedded intelligence, small form factor, and simple pinout structure reduce the design complexity, board space, and system cost. The integrated protections improve the system robustness and reliability.

The output stage of DRV10970 consists of three half-bridges with RDSON of 400 mΩ (H + L). Each half-bridge is capable of driving up to 1-A RMS and 1.5-A peak output current. When the device enters sleep mode, it consumes typical 35 µA of current.

The advanced 180° sine-wave commutation algorithm is embedded into the device and achieves high efficiency, low torque ripple, and superior acoustic performance. The adaptive driving angle adjustment function achieves the most optimized efficiency regardless of the motor parameters and load conditions.

The DRV10970 is designed for either differential or single-ended Hall sensor based applications. The differential Hall signal inputs are detected by the integrated comparators. The device supports three Hall and single Hall based applications; the single Hall sensor mode reduces the system cost by eliminating two Hall sensors.

The device implements a standard control interface which includes PWM input (speed command), FG output (speed feedback), FR input (forward and reverse direction control), and RD output (motor lock indicator).

The DRV10970 device supports both 30° and 0° Hall placements (with respect to the corresponding phase BEMF). The device implements trapezoidal drive mode to address higher power requirement.

The DRV10970 device determines the rotor lock condition based on the absence of Hall input switching. The device will try again to spin the motor after an adjustable auto-retry time which can be configured by a capacitor connected to the RETRY pin.

The device incorporates multiple protection features: overcurrent, undervoltage, overtemperature, and locked rotor conditions to improve the system robustness.

The DRV10970 is packaged in a thermally-enhanced 24-pin TSSOP package (eco-friendly: RoHS and no Sb/Br).

Elecena nie prowadzi sprzedaży elementów elektronicznych, ani w niej nie pośredniczy.

Produkt pochodzi z oferty sklepu