elecena.pl

Half-bridge, D-CAP+ controller for 48-V GaN DC/DC converter

Texas Instruments

Half-bridge, D-CAP+ controller for 48-V GaN DC/DC converter RSS Sample
  • Darmowa próbka
MPN:
TPS53632G
Producent:
TEXAS INSTRUMENTS
Dodany do bazy:
Ostatnio widziany:

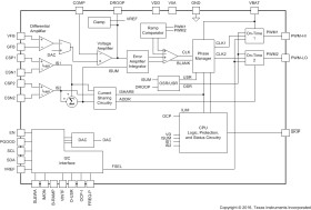
The TPS53632G device is a half-bridge PWM controller with D-CAP+ architecture that provides fast transient response, lowest outputcapacitance and high efficiency in single stage conversion directly from 48-V bus. The TPS53632G device supports the standard I2C Rev 3.0 interface for dynamic controlof the output voltage and current monitor telemetry. Paired with TI GaN power stages and drivers,the TPS53632G can switch up to 1 MHz to minimize magnetic component size and reduce overall boardspace. The LMG5200 GaN power stage is designed specifically for this controller to achieve highfrequency and efficiency as high as 92% with 48-V to 1-V conversion.

Other features include adjustable control of output slew rate and voltage positioning. Inaddition, the TPS53632G device can be used along with other TI discrete power MOSFETs and driversfor silicon-based half bridge solutions. The TPS53632G device is packaged in a space saving,thermally enhanced, 32-pin VQFN package and is rated to operate at a range between –10°C and105°C.

Elecena nie prowadzi sprzedaży elementów elektronicznych, ani w niej nie pośredniczy.

Produkt pochodzi z oferty sklepu