elecena.pl

Automotive Qualified SIMPLE SWITCHER®, 4V to 36V, 2.5A Synchronous Step-Down Converter

Texas Instruments

Automotive Qualified SIMPLE SWITCHER®, 4V to 36V, 2.5A Synchronous Step-Down Converter RSS Sample
  • Darmowa próbka
MPN:
LMR23625-Q1
Producent:
TEXAS INSTRUMENTS
Dodany do bazy:
Ostatnio widziany:

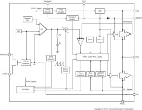
The LMR23625-Q1 SIMPLE SWITCHER® is an easy-to-use 36-V, 2.5-A synchronous step down regulator. With a wide input range from 4 V to 36 V, the device is suitable for various applications from industrial to automotive for power conditioning from unregulated sources. Peak-current-mode control is employed to achieve simple control-loop compensation and cycle-by-cycle current limiting. A quiescent current of 75 µA makes it suitable for battery powered systems. Internal loop compensation means that the user is free from the tedious task of loop compensation design. This also minimizes the external components. The device has option for fixed-frequency, forced-pulse-width-modulation (FPWM) mode to achieve small output voltage ripple at light load. An extended family is available in 1-A (LMR23610-Q1), 1.5-A (LMR23615-Q1), and 3-A (LMR23630-Q1) load current options in pin-to-pin compatible packages, which allows simple, optimum PCB layout. A precision-enable input allows simplification of regulator control and system-power sequencing. Protection features include cycle-by-cycle current limit, hiccup-mode short-circuit protection and thermal shutdown due to excessive power dissipation.

Elecena nie prowadzi sprzedaży elementów elektronicznych, ani w niej nie pośredniczy.

Produkt pochodzi z oferty sklepu