elecena.pl

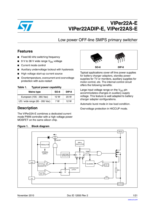
VIPER22ADIP-E Fixed frequency off line converter

Podgląd PDFa Kliknij, aby przejrzeć kilka stron
Fixed frequency off line converter
Otwórz plik PDF » 21 stron (387 kB)
Producent:
STMicroelectronics
Inne symbole:
VIPER22A-E
Szukaj produktów »