elecena.pl

Quad UV/OV Positive/Negative Voltage Supervisor

Analog Devices

Quad UV/OV Positive/Negative Voltage Supervisor RSS Sample
  • Darmowa próbka
MPN:
ADM2914
Producent:
ANALOG DEVICES
Dodany do bazy:
Ostatnio widziany:
Zmiana ceny:
-100% (22.01.2025)
Poprzednia cena:
3.02

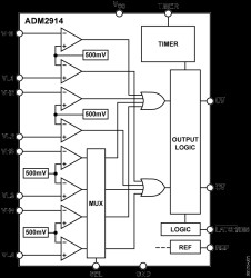
The ADM2914 is a quad voltage supervisory IC ideally suited for monitoring multiple rails in a wide range of applications.

Each monitored rail has two dedicated input pins, VHx and VLx, which allow each rail to be monitored for both overvoltage (OV) and undervoltage (UV) conditions. A common active low undervoltage (UV) and overvoltage (OV) pin is shared by each of the monitored voltage rails.

The ADM2914 includes a 1 V buffered reference output, REF, that acts as an offset when monitoring a negative voltage. The three-state SEL pin determines the polarity of the third and fourth inputs, that is, it configures the device to monitor positive or negative supplies.

The device incorporates an internal shunt regulator that enables the device to be used in higher voltage systems. This feature requires a resistor to be placed between the main supply rail and the VCC pin to limit the current flow into the VCC pin to no greater than 10 mA. The ADM2914 uses the internal shunt regulator to regulate VCC if the supply line exceeds the absolute maximum ratings.

The ADM2914 is available in two models. The ADM2914-1 offers a latching overvoltage output that can be cleared by toggling the LATCH input pin. The ADM2914-2 has a disable pin that can override and disable both the OV and UVoutput signals.

The ADM2914 is available in a 16-lead QSOP package. The device operates over the extended temperature range of −40°C to +125°C.

Applications

* Server supply monitoring

* FPGA/DSP core and I/O voltage monitoring

* Telecommunications equipment

* Medical equipment

* Quad UV/OV positive/negative supervisor

* Supervises up to 2 negative rails

* Adjustable UV and OV input thresholds

* High threshold accuracy over temperature: ±1.5%

* 1 V buffered reference output

* Open-drain UV and OV reset outputs

* See Data Sheet for additional features

Elecena nie prowadzi sprzedaży elementów elektronicznych, ani w niej nie pośredniczy.

Produkt pochodzi z oferty sklepu