elecena.pl

8-Channel DAS with 16-Bit, Bipolar Input, Simultaneous Sampling ADC

Analog Devices

8-Channel DAS with 16-Bit, Bipolar Input, Simultaneous Sampling ADC RSS Sample
  • Darmowa próbka
MPN:
AD7606
Producent:
ANALOG DEVICES
Dodany do bazy:
Ostatnio widziany:
Zmiana ceny:
-100% (18.01.2025)
Poprzednia cena:
20.16

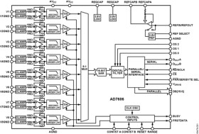
The AD7606/AD7606-6/AD7606-4 are 16-bit, simultaneous sampling, analog-to-digital data acquisition systems (DAS) with eight, six, and four channels, respectively. Each part contains analog input clamp protection, a second-order antialiasing filter, a track-and-hold amplifier, a 16-bit charge redistribution successive approximation analog-to-digital converter (ADC), a flexible digital filter, a 2.5 V reference and reference buffer, and high speed serial and parallel interfaces.

The AD7606/AD7606-6/AD7606-4 operate from a single 5 V supply and can accommodate ±10 V and ±5 V true bipolar input signals while sampling at throughput rates up to 200 kSPS for all channels. The input clamp protection circuitry can tolerate voltages up to ±16.5 V. The AD7606 has 1 MΩ analog input impedance regardless of sampling frequency. The single supply operation, on-chip filtering, and high input impedance eliminate the need for driver op amps and external bipolar supplies. The AD7606/AD7606-6/AD7606-4 antialiasing filter has a 3 dB cutoff frequency of 22 kHz and provides 40 dB antialias rejection when sampling at 200 kSPS. The flexible digital filter is pin driven, yields improvements in SNR, and reduces the 3 dB bandwidth.

Applications

* Power-line monitoring and protection systems

* Multiphase motor control

* Instrumentation and control systems

* Multiaxis positioning systems

* Data acquisition systems (DAS)

* 8/6/4 simultaneously sampled inputs

* Single 5 V analog supply and 2.3 V to 5 V VDRIVE

* Pin to pin compatible with the state-of-the-art AD7606B

* Fully integrated data acquisition solution

* Analog input clamp protection

* Input buffer with 1 MΩ analog input impedance

* Second-order antialiasing analog filter

* On-chip accurate reference and reference buffer

* 16-bit ADC with 200 kSPS on all channels

* Oversampling capability with digital filter

* Performance

* 7 kV ESD rating on analog input channels

* See Data Sheet for additional features

Elecena nie prowadzi sprzedaży elementów elektronicznych, ani w niej nie pośredniczy.

Produkt pochodzi z oferty sklepu