elecena.pl

Programmable Low Voltage 1:10 LVDS Clock Driver

Analog Devices

Programmable Low Voltage 1:10 LVDS Clock Driver RSS Sample
  • Darmowa próbka
MPN:
ADN4670
Producent:
ANALOG DEVICES
Dodany do bazy:
Ostatnio widziany:
Zmiana ceny:
-100% (21.01.2025)
Poprzednia cena:
5.08

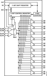
The ADN4670 is a low voltage differential signaling (LVDS) clock driver that expands a differential clock input signal to 10 differential clock outputs. The device is programmable using a simple serial interface, so that one of two clock inputs can be selected (CLK0/CLK0 or CLK1/CLK1) and any of the differential outputs (Q0/Q0 to Q9/Q9) can be enabled or disabled (tristated). The ADN4670 is designed for use in 50 Ω transmission line environments.

When the enable input EN is high, the device may be programmed by clocking 11 data bits into the shift register. The first 10 bits determine which outputs are enabled (0 = disabled, 1 = enabled), while the 11th bit selects the clock input (0 = CLK0, 1 = CLK1). A 12th clock pulse transfers data from the shift register to the control register.

The ADN4670 is fully specified over the industrial temperature range and is available in a 32-lead LFCSP package.

APPLICATIONS

* Clock distribution networks

* Low output skew <30 ps (typical)

* Distributes one differential clock input to 10 LVDS clock outputs

* Programmable—one of two differential clock inputs can be selected (CLK0, CLK1) and individual differential clock outputs enabled/disabled

* Signaling rate up to 1.1 GHz (typical)

Elecena nie prowadzi sprzedaży elementów elektronicznych, ani w niej nie pośredniczy.

Produkt pochodzi z oferty sklepu