elecena.pl

Micropower, precision, hex comparator

Texas Instruments

Micropower, precision, hex comparator RSS Sample
  • Darmowa próbka
MPN:
LMV7231
Producent:
TEXAS INSTRUMENTS
Dodany do bazy:
Ostatnio widziany:

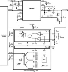
The LMV7231 device is a 1.5% accurate Hex Window Comparator which can be used to monitor power supply voltages or any other analog output, such as an analog temperature sensor or current-sense amplifier. The device uses an internal 400-mV reference for the comparator trip value. The comparator set points can be set through external resistor dividers. The LMV7231 has 6 outputs (CO1 to CO6) that signal an undervoltage or overvoltage event for each power supply input. An output (AO) is also provided to signal when any of the power supply inputs have an overvoltage or undervoltage event. This ability to signal an undervoltage or overvoltage event for the individual power supply inputs, in addition to an output to signal such an event on any of the power supply inputs, adds unparalleled system protection capability.

The 2.2-V to 5.5-V power supply voltage range, low supply current, and input or output voltage range above V+ make the LMV7231 ideal for a wide range of power supply monitoring applications. Operation is ensured over the –40°C to +125°C temperature range. The device is available in a 24-pin WQFN package.

Elecena nie prowadzi sprzedaży elementów elektronicznych, ani w niej nie pośredniczy.

Produkt pochodzi z oferty sklepu