elecena.pl

Full/Low Speed USB Digital Isolator

Analog Devices

Full/Low Speed USB Digital Isolator RSS Sample
  • Darmowa próbka
MPN:
ADUM4160
Producent:
ANALOG DEVICES
Dodany do bazy:
Ostatnio widziany:
Zmiana ceny:
-100% (21.01.2025)
Poprzednia cena:
5.93

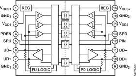
The ADuM4160 is a USB port isolator, based on Analog Devices, Inc., iCoupler® technology. Combining high speed CMOS and monolithic air core transformer technology, these isolation components provide outstanding performance characteristics and are easily integrated with low and full speed USB-compatible peripheral devices.

Many microcontrollers implement USB so that it presents only the D+ and D− lines to external pins. This is desirable in many cases because it minimizes external components and simplifies the design; however, this presents particular challenges when isolation is required. USB lines must automatically switch between actively driving D+/D−, receiving data, and allowing external resistors to set the idle state of the bus. The ADuM4160 provides mechanisms for detecting the direction of data flow and control over the state of the output buffers. Data direction is determined on a packet-by-packet basis.

The ADuM4160 uses the edge detection based iCoupler technology in conjunction with internal logic to implement a transparent, easily configured, upstream facing port isolator. Isolating an upstream facing port provides several advantages in simplicity, power management, and robust operation.

The isolator has propagation delay comparable to that of a standard hub and cable. It operates with the supply voltage on either side ranging from 3.1 V to 5.5 V, allowing connection directly to VBUS by internally regulating the voltage to the signaling level. The ADuM4160 provides isolated control of the pull-up resistor to allow the peripheral to control connection timing. The device has a low idle current; a suspend mode is not required.

APPLICATIONS

* USB peripheral isolation

* Isolated USB hub

* Medical applications

* Fully USB 2.0 Compliant

* Low and full speed data rate: 1.5 Mbps and 12 Mbps

* Bidirectional communication

* Short-circuit protection for xD+ and xD− lines

* 4.5 V to 5.5 V VBUS operation

7 mA maximum upstream supply current @ 1.5 Mbps

8 mA maximum upstream supply current @ 12 Mbps

2.3 mA maximum upstream idle current

Elecena nie prowadzi sprzedaży elementów elektronicznych, ani w niej nie pośredniczy.

Produkt pochodzi z oferty sklepu