elecena.pl

Quad Parametric Measurement Unit With Integrated 16-Bit Level Setting DACs

Analog Devices

Quad Parametric Measurement Unit With Integrated 16-Bit Level Setting DACs RSS Sample
  • Darmowa próbka
MPN:
AD5522
Producent:
ANALOG DEVICES
Dodany do bazy:
Ostatnio widziany:
Zmiana ceny:
-100% (21.01.2025)
Poprzednia cena:
45.13

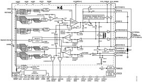
The AD5522 is a high performance, highly integrated parametric measurement unit consisting of four independent channels. Each per-pin parametric measurement unit (PPMU) channel includes five 16-bit, voltage output DACs that set the programmable input levels for the force voltage inputs, clamp inputs, and comparator inputs (high and low). Five programmable force and measure current ranges are available, ranging from ±5 μA to ±80 mA. Four of these ranges use on-chip sense resistors; one high current range up to ±80 mA is available per channel using off-chip sense resistors. Currents in excess of ±80 mA require an external amplifier. Low capacitance DUT connections (FOH and EXTFOH) ensure that the device is suited to relayless test systems.

The PMU functions are controlled via a simple 3-wire serial interface compatible with SPI, QSPI™, MICROWIRE™, and DSP interface standards. Interface clocks of 50 MHz allow fast updating of modes. The low voltage differential signaling (LVDS) interface protocol at 83 MHz is also supported. Comparator outputs are provided per channel for device go-no-go testing and characterization. Control registers allow the user to easily change force or measure conditions, DAC levels, and selected current ranges. The SDO (serial data output) pin allows the user to read back information for diagnostic purposes.

APPLICATIONS

* Automatic Test Equipment (ATE)

* Per pin Parametric Measurement Unit

* Continuity & Leakage Testing

* Device Power Supply

* Instrumentation

* SMU (Source Measure Unit)

* Precision Measurement

* Quad parametric measurement unit (PMU)

FV, FI, FN (high-Z), MV, MI functions

* 4 Programmable Current Ranges (Internal RSENSE)

±5uA, ±20uA, ±200uA and ±2mA

* 1 Programmable Current Range up to ±80mA (external RSENSE)

* 22.5 V FV Range with Asymmetrical Operation

Elecena nie prowadzi sprzedaży elementów elektronicznych, ani w niej nie pośredniczy.

Produkt pochodzi z oferty sklepu