elecena.pl

Low Voltage, 8-Bit Serial I/O CMOS A/D Converter With Sample/Hold

Texas Instruments

Low Voltage, 8-Bit Serial I/O CMOS A/D Converter With Sample/Hold RSS Sample
  • Darmowa próbka
MPN:
ADCV08832
Producent:
TEXAS INSTRUMENTS
Dodany do bazy:
Ostatnio widziany:

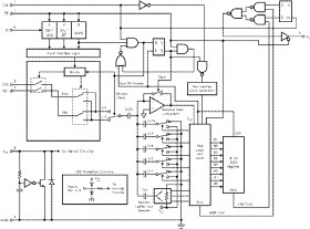
The ADCV08832 is a low voltage, 8-Bit successive approximation analog-to-digital converter with a 3-wire serial interface. The serial I/O will interface to microcontrollers, PLD's, microprocessors, DSPs or shift registers. The serial I/O is configured to comply with the NSC MICROWIRE™ serial data exchange standard.

To minimize total power consumption, the ADCV08832 can be set to go into low power mode whenever it is not performing conversions.

A sample/hold function allows the analog voltage at the positive input to vary during the actual A/D conversion. The analog inputs can be configured to operate in various combinations of single-ended, differential, or pseudo-differential modes.

Elecena nie prowadzi sprzedaży elementów elektronicznych, ani w niej nie pośredniczy.

Produkt pochodzi z oferty sklepu