elecena.pl

4.25-Gbps 2:1/1:2 CML mux/buffer with transmit pre-emphasis and receive equalization

Texas Instruments

4.25-Gbps 2:1/1:2 CML mux/buffer with transmit pre-emphasis and receive equalization RSS Sample
  • Darmowa próbka
MPN:
DS42MB100
Producent:
TEXAS INSTRUMENTS
Dodany do bazy:
Ostatnio widziany:

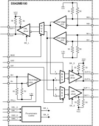
The DS42MB100 device is a signal conditioning 2:1 multiplexer and 1:2 fan-out buffer designed for use in backplane-redundancy or cable driving applications. Signal conditioning features include continuous time linear equalization (CTLE) and programmable output pre-emphasis that enable data communication in FR4 backplane up to 4.25 Gbps. Each input stage has a fixed equalizer to reduce ISI distortion from board traces.

All output drivers have four selectable levels of pre-emphasis to compensate for transmission losses from long FR4 backplane or cable attenuation reducing deterministic jitter. The pre-emphasis levels can be independently controlled for the line-side and switch-side drivers. The internal loopback paths from switch-side input to switch-side output enable at-speed system testing. All receiver inputs are internally terminated with 100-Ω differential terminating resistors. All driver outputs are internally terminated with 50-Ω terminating resistors to VCC.

Elecena nie prowadzi sprzedaży elementów elektronicznych, ani w niej nie pośredniczy.

Produkt pochodzi z oferty sklepu