elecena.pl

YPbPr to RGBHV converter and 2:1 video switch

Texas Instruments

YPbPr to RGBHV converter and 2:1 video switch RSS Sample
  • Darmowa próbka
MPN:
LMH1251
Producent:
TEXAS INSTRUMENTS
Dodany do bazy:
Ostatnio widziany:

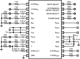
The LMH1251 is a wideband 2:1 analog video switch with an integrated YPBPR to RGBHV converter. The device accepts one set of YPBPR inputs and one set of RGB/HSYNC/VSYNC inputs. Based on the input selected, the output will be either a decoded TV or buffered PC video signal.

The LMH1251 has a SYNC separator and processor that is capable of extracting sync timing information from both Standard Definition Television (SDTV) and High Definition Television (HDTV) inputs. It provides bi-level sync, and tri-level sync separation.

The color space conversion from YPBPR to RGB in the LMH1251 is realized with a very high precision fully analog dematrixer which provides superior chroma accuracy that is less than 2.5% of amplitude and 1.5° of phase error on a vectorscope. It is equipped with a smart video detection circuit which automatically senses SDTV and HDTV video formats and applies the appropriate color space conversion.

The LMH1251 is capable of handling SDTV, HDTV, XGA, SXGA, and UXGA video formats, which makes it an ideal solution for enhancing value in applications ranging from LCD monitors, to set-top boxes, to projectors. The LMH1251 is part of the LMH high speed amplifier family, and is offered in a 24-pin TSSOP package.

Elecena nie prowadzi sprzedaży elementów elektronicznych, ani w niej nie pośredniczy.

Produkt pochodzi z oferty sklepu