elecena.pl

Pin-Selectable, 4-Channel, 2-Wire Multiplexer with Bus Buffers

Analog Devices

Pin-Selectable, 4-Channel, 2-Wire Multiplexer with Bus Buffers RSS Sample
  • Darmowa próbka
MPN:
LTC4314
Producent:
ANALOG DEVICES
Dodany do bazy:
Ostatnio widziany:
Zmiana ceny:
-100% (17.01.2025)
Poprzednia cena:
3.19

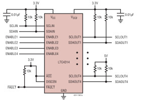
The LTC4314 is a hot-swappable 4-channel 2-wire bus multiplexer that allows one upstream bus to connect to any combination of downstream busses or channels. An individual enable pin controls each connection. The LTC4314 provides bidirectional buffering, keeping the upstream bus capacitance isolated from the downstream bus capacitances. The high noise margin allows the LTC4314 to be interoperable with I2C devices that drive a high VOL (> 0.4V). The LTC4314 supports level translation between 1.5V, 1.8V, 2.5V, 3.3V and 5V busses. The hot-swappable nature of the LTC4314 allows I/O card insertion into, and removal from, a live backplane without corruption of the data and clock busses.

If both data and clock are not simultaneously high at least once in 45ms and DISCEN is high, a FAULT signal is generated indicating a stuck bus low condition, the input is disconnected from all enabled output channels, and up to 16 clocks are generated on the enabled downstream busses. A three state ACC pin enables input and output side rise time accelerators of varying strengths and sets the VIL,RISING voltage.

Applications

* Telecommunications Systems Including ATCA

* Address Expansion

* Level Translator

* Capacitance Buffers/Bus Extender

* Live Board Insertion

* PMBus

* 1:4 Multiplexer/Switch for 2-Wire Bus

* Bidirectional Buffer for SDA and SCL Lines

* High Noise Margin with VIL = 0.3•VCC

* ENABLE Pins Connect SDA and SCL Lines

* Selectable Rise Time Accelerator Current and Activation Voltage

* Level Shift 1.5V, 1.8V, 2.5V, 3.3V and 5V Busses

* Prevents SDA and SCL Corruption During Live Board Insertion and Removal from Backplane

* Stuck Bus Disconnect and Recovery

* Compatible with I2C, I2C Fast Mode and SMBus

* ±4kV Human Body Model (HBM) ESD Ruggedness

* 20-Lead SSOP and 3mm × 4mm QFN Packages

Elecena nie prowadzi sprzedaży elementów elektronicznych, ani w niej nie pośredniczy.

Produkt pochodzi z oferty sklepu