elecena.pl

3-Axis, ±1.5 /±3 /±6 /±12 Digital Accelerometer

Analog Devices

3-Axis, ±1.5 /±3 /±6 /±12 Digital Accelerometer RSS Sample
  • Darmowa próbka
MPN:
ADXL312
Producent:
ANALOG DEVICES
Dodany do bazy:
Ostatnio widziany:
Zmiana ceny:
-100% (20.01.2025)
Poprzednia cena:
1.95

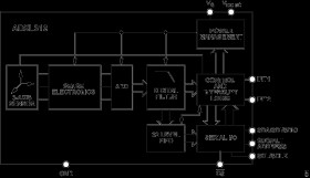
The ADXL312 is a small, thin, low power, 3-axis accelerometer with high resolution (13-bit) measurement up to ±12 g. Digital output data is formatted as 16-bit twos complement and is accessible through either a serial port interface (SPI) (3- or 4-wire) or I2C digital interface.

The ADXL312 is well suited for car alarm or black box applications. It measures the static acceleration of gravity in tilt-sensing applications, as well as dynamic acceleration resulting from motion or shock. Its high resolution (2.9 mg/LSB) enables resolution of inclination changes of as little as 0.25°. A built-in FIFO facilitates using oversampling techniques to improve resolution to as little as 0.05° of inclination.

Several special sensing functions are provided. Activity and inactivity sensing detects the presence or absence of motion and whether the acceleration on any axis exceeds a user-set level. These functions can be mapped to interrupt output pins. An integrated 32 level FIFO can be used to store data to minimize host processor intervention.

Low power modes enable intelligent motion-based power management with threshold sensing and active acceleration measurement at extremely low power dissipation.

The ADXL312 is supplied in a small, thin 5 mm × 5 mm × 1.45 mm, 32-lead, LFCSP package.

APPLICATIONS

* Car alarm

* Hill start aid (HSA)

* Electronic parking brake

* Data recorder (black box)

* Ultralow power: as low as 57 μA in measurement mode and 0.1 μA in standby mode at VS = 3.3 V (typical)

* Power consumption scales automatically with bandwidth

* User-selectable resolution

* Fixed 10-bit resolution

* Full resolution, where resolution increases with g range, up to 13-bit resolution at ±12 g (maintaining 2.9 mg/LSB scale factor in all g ranges)

* Embedded FIFO technology minimizes host processor load

* Supply and I/O voltage range: 2.0 V to 3.6 V

Elecena nie prowadzi sprzedaży elementów elektronicznych, ani w niej nie pośredniczy.

Produkt pochodzi z oferty sklepu