elecena.pl

Industrial Current/Voltage Output Driver with Programmable Ranges

Analog Devices

Industrial Current/Voltage Output Driver with Programmable Ranges RSS Sample
  • Darmowa próbka
MPN:
AD5750-1
Producent:
ANALOG DEVICES
Dodany do bazy:
Ostatnio widziany:
Zmiana ceny:
-100% (22.01.2025)
Poprzednia cena:
3.10

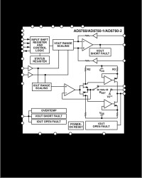
The AD5750 / AD5750-1 / AD5750-2 are single-channel, low cost, precision voltage/current output drivers with hardware- or software-programmable output ranges. The software ranges are configured via an SPI-/MICROWIRE™-compatible serial interface. The AD5750 / AD5750-1 / AD5750-2 target applications in PLC and industrial process control. The analog input to the AD5750 / AD5750-1 / AD5750-2 is provided from a low voltage, single-supply digital-to-analog converter (DAC) and is internally conditioned to provide the desired output current/voltage range. Analog input ranges available are 0 V to 2.5 V (AD5750-1 / AD5750-2) or 0 V to 4.096 V (AD5750).

The output current range is programmable across five current ranges: 4 mA to 20 mA, 0 mA to 20 mA or 0 mA to 24 mA, ±20 mA, and ±24 mA. An overrange of 2% is available on the unipolar current ranges.

Voltage output is provided from a separate pin that can be configured to provide 0 V to 5 V, 0 V to 10 V, ±5 V, or ±10 V output ranges. An overrange of 20% is available on the voltage ranges.

Analog outputs are short-circuit and open-circuit protected and can drive capacitive loads of 1 μF and inductive loads of 0.1 H.

The device is specified to operate with a power supply range from ±12 V to ±24 V. Output loop compliance is 0 V to AVDD − 2.75 V.

The flexible serial interface is SPI and MICROWIRE compatible and can be operated in 3-wire mode to minimize the digital isolation required in isolated applications. The interface also features an optional PEC error checking feature using CRC-8 error checking, useful in industrial environments where data communication corruption can occur.

The device also includes a power-on reset function, ensuring that the device powers up in a known state (0 V or tristate), and an asynchronous CLEAR pin that sets the outputs to zero scale/midscale voltage output or the low end of the selected current range.

An HW SELECT pin is used to configure the part for hardware or software mode on power-up.

APPLICATIONS

* Process control

* Actuator control

* PLCs

* Current output ranges:

4 mA to 20 mA, 0 mA to 20 mA or 0 mA to 24 mA, ±20 mA, and ±24 mA

±0.03% FSR total unadjusted error (TUE)

±5 ppm/°C typical output drift

* Voltage output ranges:

0 V to 5 V, 0 V to 10 V, ±5 V, and ±10 V, with 20% overrange

±0.02% FSR TUE

±3 ppm/°C typical output drift

* Flexible serial digital interface

Elecena nie prowadzi sprzedaży elementów elektronicznych, ani w niej nie pośredniczy.

Produkt pochodzi z oferty sklepu