elecena.pl

14-Bit Direct Conversion Receiver Subsystem

Analog Devices

14-Bit Direct Conversion Receiver Subsystem RSS Sample
  • Darmowa próbka
MPN:
LTM9004
Producent:
ANALOG DEVICES
Dodany do bazy:
Ostatnio widziany:

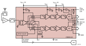
The LTM9004 is a 14-bit direct conversion receiver subsystem. Utilizing an integrated system in a package (SiP) technology, the LTM9004 is a μModule® receiver that includes a dual high speed 14-bit A/D converter, lowpass filter, differential gain stages and a quadrature demodulator. Contact Analog Devices regarding customization.

The LTM9004 is perfect for zero-IF communications applications, with AC performance that includes 76dB SNR and 63.5dB spurious free dynamic range (SFDR). The entire chain is DC-coupled and provides access for DC offset adjustment. The integrated on-chip broadband transformers provide 50Ω single-ended interfaces at the RF and LO inputs.

A 5V supply powers the mixer and first amplifier for minimal distortion while a 3V supply allows low power ADC operation. A separate supply allows the outputs to drive 0.5V to 3.3V logic. An optional multiplexer allows both channels to share a digital output bus. An optional clock duty cycle stabilizer allows high performance at full speed for a wide range of clock duty cycles.

Applications

* Telecommunications

* Direct Conversion Receivers

* Cellular Basestations

* Integrated Dual 14-Bit, High-Speed ADC, Lowpass

* Filter, Differential Gain Stages and I/Q Demodulator

* Lowpass Filter for Each ADC Channel

* 1.92MHz (LTM9004-AA)

* 4.42MHz (LTM9004-AB)

* 9.42MHz (LTM9004-AC)

* 20MHz (LTM9004-AD)

* RF Input Frequency Range: 0.7GHz to 2.7GHz

* 50Ω Single-Ended RF and LO Ports

* I/Q Gain Mismatch: 0.2dB Typical

* I/Q Phase Mismatch: 1.5 Deg Typical

* Voltage-Adjustable Demodulator DC Offsets

* 76dB/1.92MHz SNR (LTM9004-AA)

* 63.5dB SFDR (LTM9004-AA)

* Clock Duty Cycle Stabilizer

* Low Power: 1.83W

* Shutdown and Nap Modes

* 15mm × 22mm LGA Package

Elecena nie prowadzi sprzedaży elementów elektronicznych, ani w niej nie pośredniczy.

Produkt pochodzi z oferty sklepu