elecena.pl

Voltage Comparator

Analog Devices

Voltage Comparator RSS Sample
  • Darmowa próbka
MPN:
RH111
Producent:
ANALOG DEVICES
Dodany do bazy:
Ostatnio widziany:

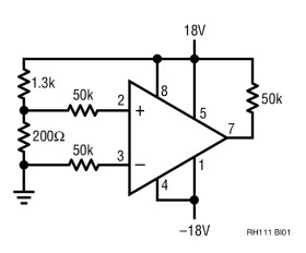
The RH111 is a general purpose voltage comparator. The RH111 offers maximum input offset voltage of 3mV and input offset current of 10nA with a typical response time of 200ns. The RH111 can operate from a single 5V supply to ±15V supplies and can drive up to 50mA loads referred to ground or either supply. A separate output Ground pin allows output signals to be isolated from analog ground.

The wafer lots are processed to the requirements of our in-house Class S flow to yield circuits usable in precision space applications.

* Supply Voltage (Pin 8 to Pin 4): 36V

* Output to Negative Supply (Pin 7 to Pin 4: 35V

* Ground to Negative Supply (Pin 1 to Pin 4): 30V

* Differential Input Voltage: 35V

* Voltage at Strobe Pin (Pin 6 to Pin 8): 5V

* Input Voltage (Note 1): ±15V

* Output Short-Circuit Duration 10 sec

* Operating Temperature:

* Range (Note 2): –55°C to 125°C

* Storage Temperature Range: –65°C to 150°C

* Lead Temperature (Soldering, 10 sec): 300°C

Elecena nie prowadzi sprzedaży elementów elektronicznych, ani w niej nie pośredniczy.

Produkt pochodzi z oferty sklepu