4-V to 8-V, 3-A, 2-A Triple Synchronous Step-Down Converter
Texas Instruments
RSS
Sample
- Darmowa próbka
- MPN:
- TPS65268-Q1
- Producent:
- TEXAS INSTRUMENTS
- Dodany do bazy:
- Ostatnio widziany:
Sugerowane produkty dla is180
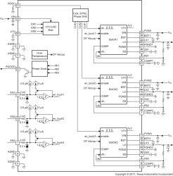
The TPS65268-Q1 device incorporates triple-synchronous buck converters with 4-V to 8-V wide input voltage. The converter with constant frequency peak current mode is designed to simplify its application while giving designers options to optimize the system according to targeted applications. The switching frequency of the converters is adjustable from 200 kHz to 2.3 MHz with an external resistor. Operation that is 180° out-of-phase between BUCK1 and BUCK2, and BUCK3 (BUCK2 and BUCK3 run in phase) minimizes the input filter requirements.
Each buck converter in the TPS65268-Q1 device operates in forced continuous-current mode (FCCM) at light load condition for reduced output voltage ripple and improved load transient response.
The TPS65268-Q1 device features overvoltage, overcurrent, short-circuit, and overtemperature protection.
Elecena nie prowadzi sprzedaży elementów elektronicznych, ani w niej nie pośredniczy.
Produkt pochodzi z oferty sklepu Texas Instruments