12-Bit, 40Msps Low Power Dual ADCs
Analog Devices
RSS
Sample
- Darmowa próbka
- MPN:
- LTC2141-12
- Producent:
- ANALOG DEVICES
- Dodany do bazy:
- Ostatnio widziany:
- Zmiana ceny:
- -100% (22.01.2025)
- Poprzednia cena:
- 14.84
Sugerowane produkty dla adc*70
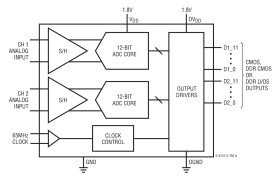
The LTC2142-12/LTC2141-12/LTC2140-12 are 2-channel simultaneous sampling 12-bit A/D converters designed for digitizing high frequency, wide dynamic range signals. They are perfect for demanding communications applications with AC performance that includes 70.8dB SNR and 89dB spurious free dynamic range (SFDR). Ultralow jitter of 0.08psRMS allows undersampling of IF frequencies with excellent noise performance.
DC specs include ±0.3LSB INL (typ), ±0.1LSB DNL (typ) and no missing codes over temperature. The transition noise is 0.3LSBRMS.
The digital outputs can be either full rate CMOS, double data rate CMOS, or double data rate LVDS. A separate output power supply allows the CMOS output swing to range from 1.2V to 1.8V.
The ENC+ and ENC– inputs may be driven differentially or single-ended with a sine wave, PECL, LVDS, TTL, or CMOS inputs. An optional clock duty cycle stabilizer allows high performance at full speed for a wide range of clock duty cycles.
Bits
LTC2141-12
12
LTC2141-14
14
Applications
* Communications
* Cellular Base Stations
* Software Defined Radios
* Portable Medical Imaging
* Multi-Channel Data Acquisition
* Nondestructive Testing
* 2-Channel Simultaneously Sampling ADC* 70.8dB SNR* 89dB SFDR* Low Power: 92mW/65mW/48mW Total 46mW/33mW/24mW per Channel* Single 1.8V Supply* CMOS, DDR CMOS, or DDR LVDS Outputs* Selectable Input Ranges: 1VP-P to 2VP-P
Elecena nie prowadzi sprzedaży elementów elektronicznych, ani w niej nie pośredniczy.
Produkt pochodzi z oferty sklepu Analog Devices