elecena.pl

Wide Range Input, Dual/Two-Phase, DC-to-DC Synchronous Buck Controller

Analog Devices

Wide Range Input, Dual/Two-Phase, DC-to-DC Synchronous Buck Controller RSS Sample
  • Darmowa próbka
MPN:
ADP1850
Producent:
ANALOG DEVICES
Dodany do bazy:
Ostatnio widziany:
Zmiana ceny:
-100% (20.01.2025)
Poprzednia cena:
1.81

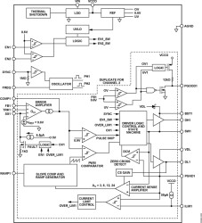
The ADP1850 is a configurable dual output or two-phase, single output dc-to-dc synchronous buck controller capable of running from commonly used 3.3 V to 12 V (up to 20 V) voltage inputs. The device operates in current mode for improved transient response and uses valley current sensing for enhanced noise immunity.

The architecture enables accurate current sharing between interleaved phases for high current outputs.

The ADP1850 is ideal in system applications requiring multiple output voltages: the ADP1850 includes a synchronization feature to eliminate beat frequencies between switching devices; provides accurate tracking capability between supplies and includes precision enable for simple, robust sequencing.

The ADP1850 provides high speed, high peak current drive capability with dead-time optimization to enable energy efficient power conversion. For low load operation, the device can be configured to operate in power saving mode (PSM) by skipping pulses and reducing switching losses to improve the energy efficiency at light load and standby conditions.

The accurate current limit (±6%) allows the power architect to design within a narrower range of tolerances and can reduce overall converter size and cost.

The ADP1850 provides a configurable architecture capable of wide range input operation to provide the designer with maximum re-use opportunities and improved time to market. Additional flexibility is provided by external programmability of loop compensation, soft start, frequency setting, power saving mode, current limit and current sense gain can all be programmed using external components.

The ADP1850 includes a high level of integration in a small size package. The start-up linear regulator and the boot-strap diode for the high side drive are included. Protection features include: undervoltage lock-out, overvoltage, overcurrent/short-circuit and over temperature. The ADP1850 is available in a compact 32-lead LFCSP 5 mm × 5 mm thermally enhanced package.

Applications

High current single and dual output intermediate bus and point of load converters requiring sequencing and tracking capability, including converters for:

* Point-of-load power supplies

* Telecom base station and networking

* Consumer

* Industrial and instrumentation

* Healthcare and medical

* Wide range input: 2.75 V to 20 V

* Power stage input voltage: 1 V to 20 V

* Output voltage range: 0.6 V up to 90% VIN

* Output current to more than 25 A per channel

* Accurate current sharing between channels (interleaved)

* Programmable frequency: 200 kHz to 1.5 MHz

* 180° phase shift between channels for reduced input capacitance

* ±0.85% reference voltage accuracy from −40°C to +85°C

* Integrated boost diodes

* Power saving mode (PSM) at light loads

* Accurate power good with internal pull-up resistor

* Accurate voltage tracking capability

* Independent channel precision enable

* Overvoltage and overcurrent limit protection

* Externally programmable soft start, slope compensation and current sense gain

* Synchronization input

* Thermal overload protection

* Input undervoltage lockout (UVLO)

* Available in 32-lead 5 mm × 5 mm LFCSP

Elecena nie prowadzi sprzedaży elementów elektronicznych, ani w niej nie pośredniczy.

Produkt pochodzi z oferty sklepu